- Partiron
- OEM Parts
- Yamaha
- motorcycle
- 2014
- XTZ12EL (SUPER TENERE) 2BS50 2014
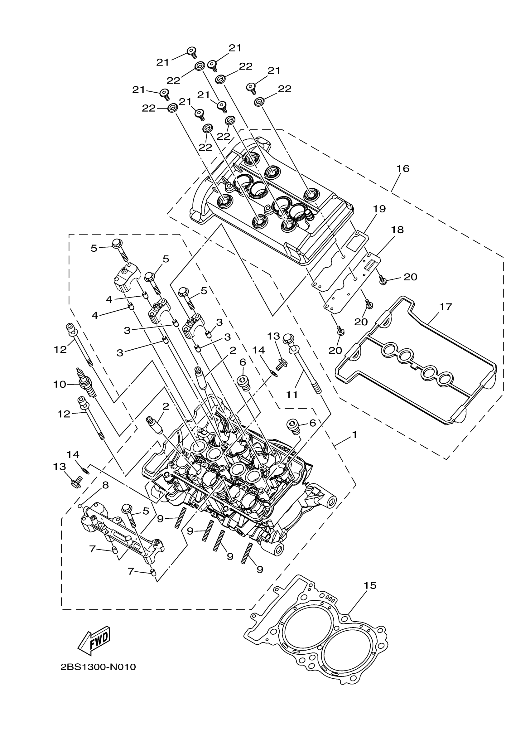
CYLINDER HEAD
Yamaha XTZ12EL (SUPER TENERE) 2BS50 2014 CYLINDER HEAD Diagram
#
Description
Price
1
CYLINDER HEAD ASSY
2BS-11101-09-00
Unavailable
10
CPR8EB-9 NGK SPLUG 4PK
CPR-8EB90-00-00
Unavailable
16
COVER, CYLINDER HEAD 1
2BS-11190-01-00
Unavailable
17
GASKET, HEAD COVER 1
23P-11193-00-00
Unavailable
18
PLATE, BREATHER
2BS-11165-00-00
Unavailable
19
GASKET, BREATHER COVER
23P-11169-00-00
Unavailable
20
BOLT, FLANGE
95022-06020-00
Unavailable
21
BOLT(4BP)
90109-066F0-00
Unavailable
22
RUBBER, MOUNT 1
5VY-1111G-00-00
Unavailable
