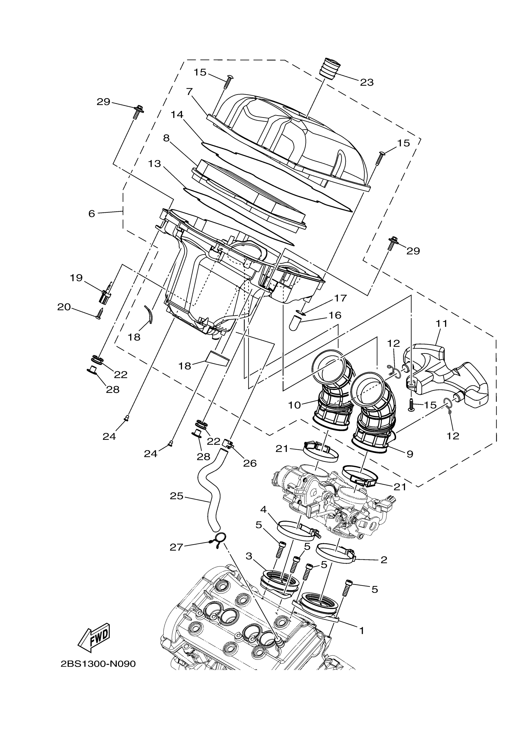
Yamaha XTZ12EHL (SUPER TENERE ES) 2KBT 2017 INTAKE Diagram
#
Description
Price
2
HOSE CLAMP ASSY
90450-69001-00
Unavailable
4
HOSE CLAMP ASSY
90450-69001-00
Unavailable
6
AIR CLEANER ASSY.
23P-14410-00-00
Unavailable
7
CASE, AIR CLEANER 2
23P-14421-00-00
Unavailable
9
JOINT, AIR CLEANER 1
23P-14453-00-00
Unavailable
10
JOINT, AIR CLEANER 2
23P-14463-00-00
Unavailable
11
CHAMBER, AIR
23P-13581-00-00
Unavailable
16
PIPE, DRAIN
23P-1443E-00-00
Unavailable
17
CLIP
23P-14159-00-00
Unavailable
18
DAMPER
5JW-2139X-00-00
Unavailable
19
SENSOR, AIR TEMPERATURE
8FP-85886-00-00
Unavailable
20
SCREW, PAN TAP.2 SLIT
97707-50620-00
Unavailable
21
HOSE CLAMP ASSY
90450-67003-00
Unavailable
22
GROMMET (16R)
90480-14329-00
Unavailable
23
PLUG
23P-14862-00-00
Unavailable
24
PLUG 378212790000
90338-05056-00
Unavailable
25
PIPE, BREATHER 1
23P-11166-10-00
Unavailable
26
CLIP
90467-15168-00
Unavailable
27
CLIP
90467-140A4-00
Unavailable
28
COLLAR(735)
90387-06033-00
Unavailable
29
BOLT, WITH WASHER(2WG)
90119-06172-00
Unavailable
