Partiron

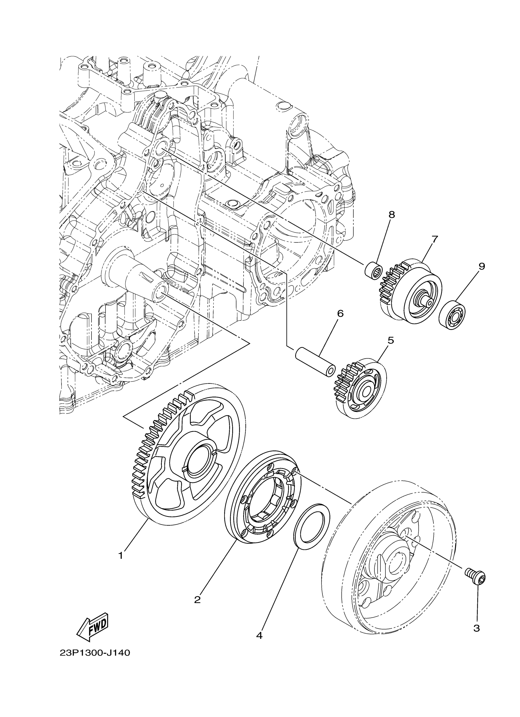
Yamaha XTZ12EEGY (SUPER TENERE ES) 2KB5 2014 STARTER CLUTCH Diagram

#

Description
Price

1

GEAR 3

23P-15515-00-00

Unavailable

2

STARTER ONE-WAY ASSY

4NK-15590-00-00

Unavailable

3

SCREW

90149-08031-00

$9.49

4

WASHER, PLATE (11H)

90201-350F3-00

$10.49

5

IDLE GEAR ASSY

23P-15650-00-00

Unavailable

6

SHAFT 1

23P-15521-00-00

Unavailable

7

DAMPER ASSY

23P-15560-00-00

Unavailable

8

BEARING

93317-11096-00

$23.99

9

BRG,R-B 6000 26MM 19G KY

93306-00004-00

$37.99