- Partiron
- OEM Parts
- Yamaha
- motorcycle
- 2013
- XTZ12DW (SUPER TENERE) 23PJ0 2013
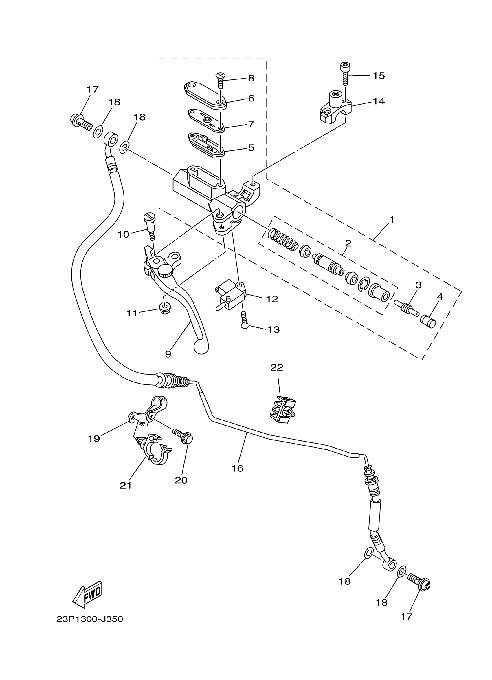
FRONT MASTER CYLINDER 2
Yamaha XTZ12DW (SUPER TENERE) 23PJ0 2013 FRONT MASTER CYLINDER 2 Diagram
#
Description
Price
3
ROD, PUSH
5YU-26464-00-00
Unavailable
5
DIAPHRAGM, RESERVOIR
5YU-25854-50-00
Unavailable
15
BOLT
5YU-26332-00-00
Unavailable
16
HOSE, CLUTCH
23P-26470-00-00
Unavailable
17
BOLT, UNION
90401-10172-00
Unavailable
18
WASHER, PLATE(481)
90201-10118-00
Unavailable
19
HOLDER, 2
23P-26481-00-00
Unavailable
20
BOLT, FLANGE
95022-06010-00
Unavailable
21
CLAMP
90464-20010-00
Unavailable
22
CLAMP
90464-07262-00
Unavailable
