- Partiron
- OEM Parts
- Yamaha
- motorcycle
- 1989
- XT600WC (XT600 CA) 1989
ELECTRICAL 1
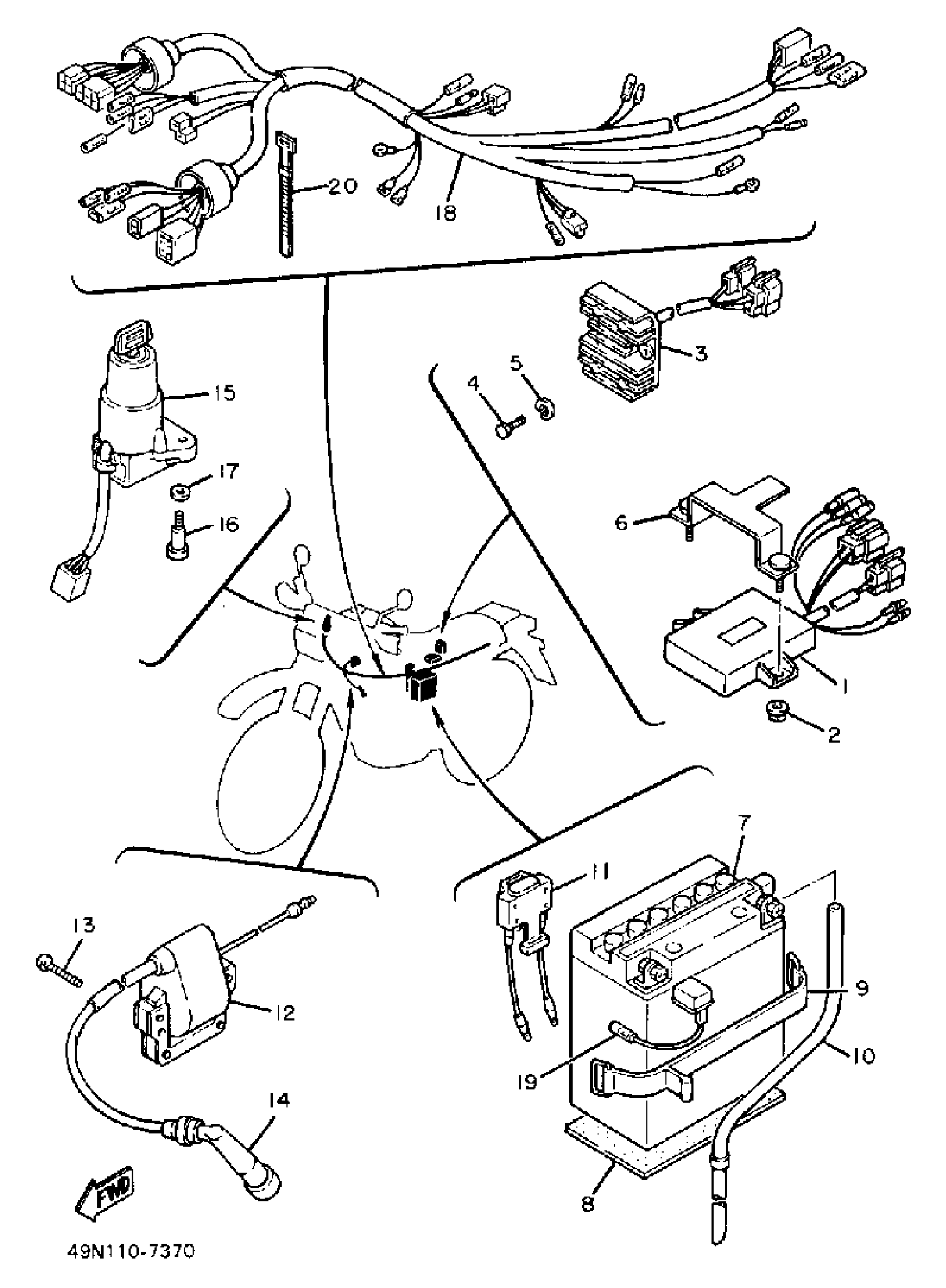
Yamaha XT600WC (XT600 CA) 1989 ELECTRICAL 1 Diagram
#
Description
Price
1
CDI UNIT ASSEMBLY
5Y1-85540-52-00
Unavailable
3
RECTIFIER/REG ASSEMBLY
34L-81960-A0-00
Unavailable
5
WASHER, SPRING
92995-06100-00
Unavailable
6
STAY UNIT
34L-8553A-00-00
Unavailable
7
YB5LB YUASA BATTERY
YB5-LB000-00-00
Unavailable
10
HOSE
90445-08782-00
Unavailable
11
CIRCUIT BREAKER ASSEMBLY
5Y1-82180-00-00
Unavailable
12
IGNITION COIL ASSEMBLY
43F-82310-51-00
Unavailable
15
MAIN SWITCH STEERING LOCK
5Y1-82501-80-00
Unavailable
16
SCREW(1KT)
90149-06228-00
Unavailable
17
WASHER, PLAIN (646)
92990-06600-00
Unavailable
18
WIRE HARNESS ASSEMBLY
49M-82590-00-00
Unavailable
19
WIRE, PLUS LEAD
1M1-82115-00-00
Unavailable
20
BAND, SWITCH CORD
437-83936-11-00
Unavailable
