- Partiron
- OEM Parts
- Yamaha
- motorcycle
- 1995
- XT600EGC (XT600E CA) 1995
CARBURETOR
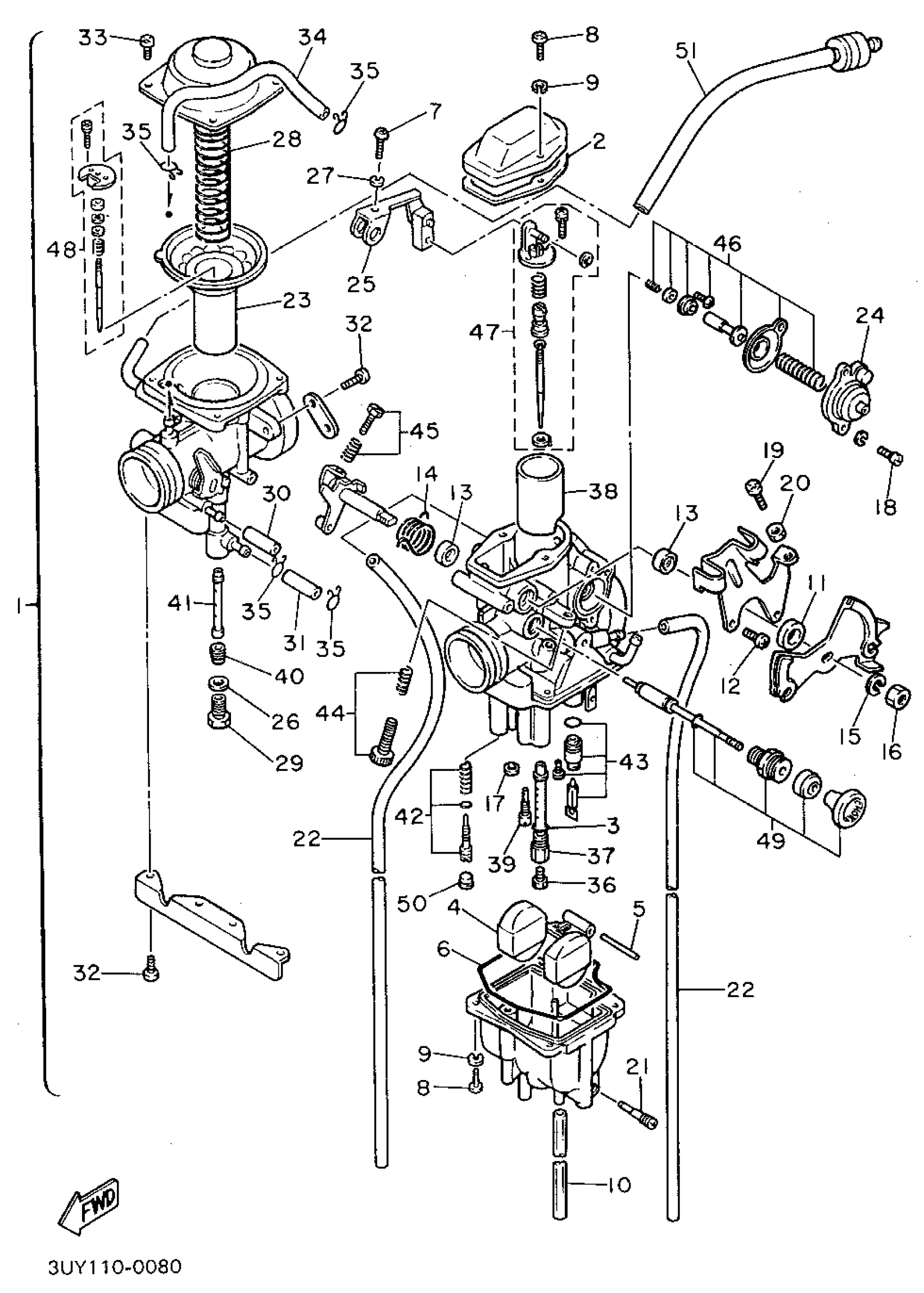
Yamaha XT600EGC (XT600E CA) 1995 CARBURETOR Diagram
#
1
CARBURETOR ASSY 1
3UY-14301-05-00
Unavailable
1
CARBURETOR ASSY 1
3UY-14301-15-00
Unavailable
4
FLOAT
25N-14385-00-00
Unavailable
5
. PIN, FLOAT
6E5-14386-01-00
Unavailable
10
. PIPE
1VJ-14197-00-00
Unavailable
11
. COLLAR
1JK-14357-00-00
Unavailable
14
. SPRING, THROTTLE VALVE
1XL-14131-00-00
Unavailable
15
. WASHER, SPRING
5Y1-14356-00-00
Unavailable
16
. NUT
5Y1-14358-00-00
Unavailable
17
GASKET
5Y1-14536-00-00
Unavailable
18
SCREW, PAN HEAD (E56)
98580-04010-00
Unavailable
19
. SCREW, PAN HEAD
98580-04020-00
Unavailable
20
NUT
30X-14358-00-00
Unavailable
21
AIR SCREW SET
14T-14104-00-00
Unavailable
22
. PIPE
1VJ-14197-00-00
Unavailable
22
. PIPE
1VJ-14197-00-00
Unavailable
23
DIAPHRAGM ASSY
1JK-14940-01-00
Unavailable
24
. COVER 1
2JN-14293-00-00
Unavailable
25
. CONNECTER COMP
1JK-14291-00-00
Unavailable
26
. WASHER
7KF-14227-00-00
Unavailable
28
. SPRING
1VJ-14286-00-00
Unavailable
29
. BOLT, HOLDING
7KF-14162-00-00
Unavailable
30
PIPE
5Y1-14349-00-00
Unavailable
31
PIPE
30X-14148-00-00
Unavailable
32
SCREW, PAN HEAD(3LA)
98517-05010-00
Unavailable
33
SCREW, PAN HEAD (E56)
98580-04010-00
Unavailable
34
PIPE
5Y1-14149-00-00
Unavailable
35
CLIP
5Y1-14159-00-00
Unavailable
36
JET, MAIN (# 120)
288-14343-60-00
Unavailable
36
JET, MAIN (# 130)
288-14343-65-00
Unavailable
36
JET, MAIN (# 140)
288-14343-70-00
Unavailable
37
. NOZZLE, MAIN
3UY-14341-00-00
Unavailable
38
. VALVE, THROTTLE 2
3UY-14313-55-00
Unavailable
39
JET, PILOT (#48)
43F-14342-24-00
Unavailable
40
. JET, MAIN (#104)
30X-14343-52-00
Unavailable
41
. NOZZLE, MAIN 2
2KF-14355-00-00
Unavailable
42
PILOT SCREW SET
51Y-14105-00-00
Unavailable
43
NEEDLE VALVE SET
2JN-14107-00-00
Unavailable
44
. STOP SCREW SET
2NX-1490K-00-00
Unavailable
45
. THROTTLE SCREW SET
2NX-14103-00-00
Unavailable
46
DIAPHRAGM SET, 1
1JK-1490A-00-00
Unavailable
47
. NEEDLE SET
3UY-1490J-10-00
Unavailable
48
. NEEDLE SET
3UY-1490J-00-00
Unavailable
49
PLUNGER, STARTER
2KF-14371-01-00
Unavailable
50
. PLUG
2WJ-14367-00-00
Unavailable
51
PIPE,AIRVENT
3TD-14197-10-00
Unavailable
