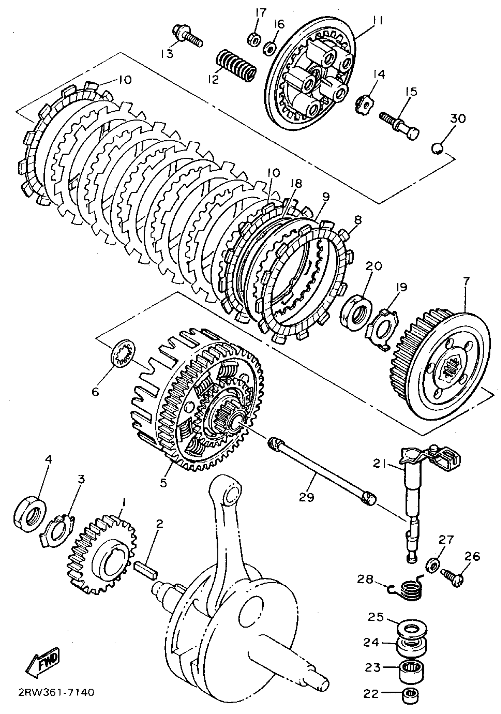
Yamaha XT600EFC (XT600E CA) 1994 CLUTCH Diagram
#
Description
Price
1
GEAR, PRIMARY DRIVE (34T)
3AJ-16111-00-00
Unavailable
7
BOSS, CLUTCH
2JN-16371-00-00
Unavailable
15
ROD, PUSH 1
5Y1-16356-00-00
Unavailable
16
YBS66-6 WASHER, PLAIN
92990-06200-00
Unavailable
17
NUT, U FLANGE
95604-06200-00
Unavailable
18
SPRING, CLUTCH BOSS
5Y1-16383-00-00
Unavailable
19
WASHER, LOCK (34L)
90215-20231-00
Unavailable
20
NUT (34L)
90170-20327-00
Unavailable
21
PUSH LEVER ASSEMBLY
1VJ-16380-01-00
Unavailable
22
BEARING
93317-11096-00
Unavailable
23
BRG,CYL-CAL ROLLER 10G KY
93315-11720-00
Unavailable
24
OIL SEAL (48U)
93102-17357-00
Unavailable
25
WASHER, PLATE 3411117500
90201-08087-00
Unavailable
26
SCREW 425163430000
90149-08067-00
Unavailable
27
WASHER PLATE 168217580000
90201-18262-00
Unavailable
28
SPRING, TORSION(1VJ)
90508-14710-00
Unavailable
29
ROD, PUSH 2
5Y1-16357-00-00
Unavailable
30
BALL (1M1)
93515-32029-00
Unavailable
