- Partiron
- OEM Parts
- Yamaha
- motorcycle
- 1993
- XT600EEC (XT600E CA) 3UYA 1993
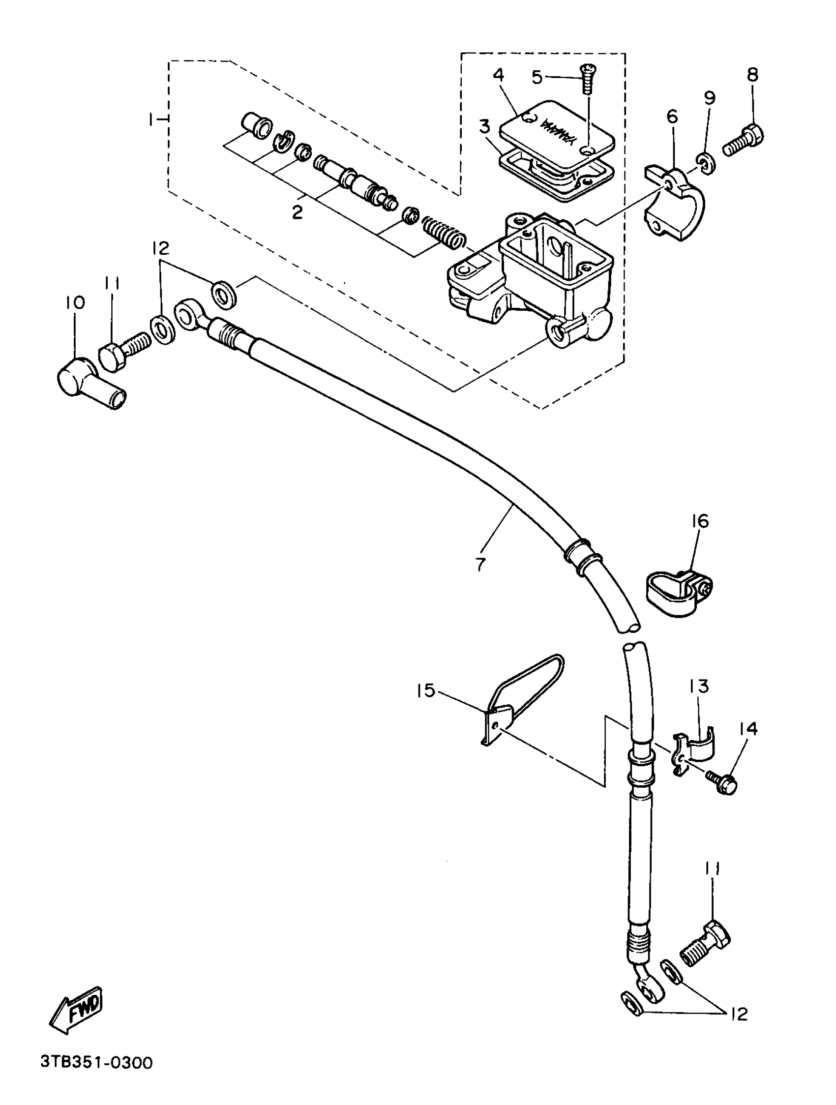
FRONT MASTER CYLINDER
Yamaha XT600EEC (XT600E CA) 3UYA 1993 FRONT MASTER CYLINDER Diagram
#
Description
Price
6
BRACKET, MASTER CYLINDER
4L0-25867-00-00
Unavailable
7
BRAKE HOSE SET (3TB)
99999-02429-00
Unavailable
12
WASHER, PLATE(481)
90201-10118-00
Unavailable
13
CLAMP
90461-16124-00
Unavailable
15
HOLDER, CABLE 1
3TB-23318-00-00
Unavailable
16
CLAMP SET (3TB1)
99999-02107-00
Unavailable
