Partiron

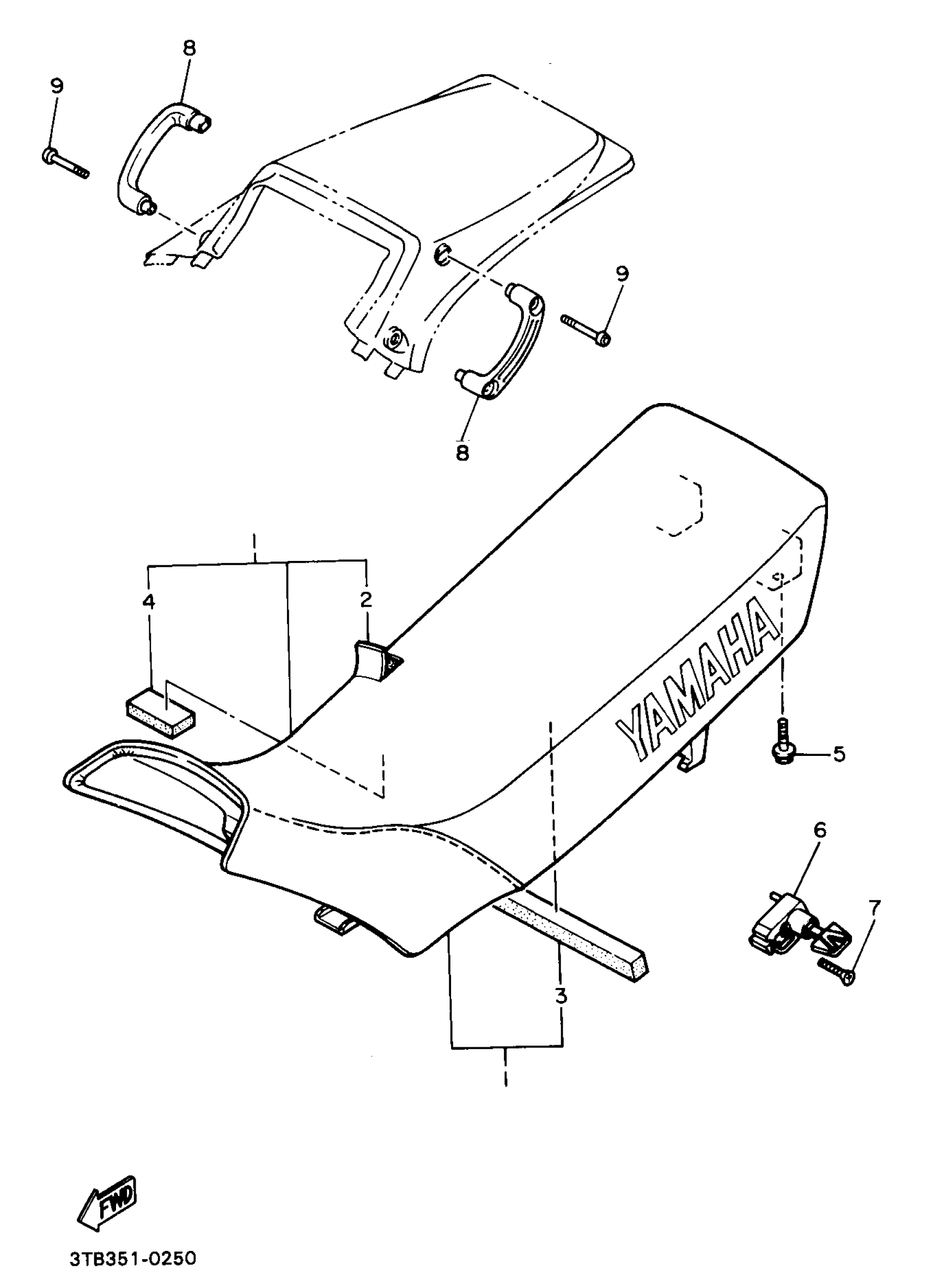
Yamaha XT600EAC (XT600E CA) 1990 SEAT Diagram

#

Description
Price

1

SEMI-DOUBLE SEAT ASSEMBLY

3TB-24770-00-00

Unavailable

2

. COVER, SEAT

3TB-24731-00-00

Unavailable

3

. DAMPER, SEAT

3TB-24723-00-00

Unavailable

4

DAMPER, LOCATING 5

3TB-24185-00-00

$2.39

5

BOLT, WITH WASHER (10V)

90119-06063-00

$9.49

6

HELMET HANGER ASSY

26H-21308-01-00

$82.99

7

SCREW (4G1)

90149-06154-00

$9.49

8

LABEL, CAUTION

3TB-2164F-02-00

Unavailable

9

BOLT, BUTTON

92017-08050-00

$7.49