- Partiron
- OEM Parts
- Yamaha
- motorcycle
- 1990
- XT600EAC (XT600E CA) 1990
HANDLE SWITCH LEVER
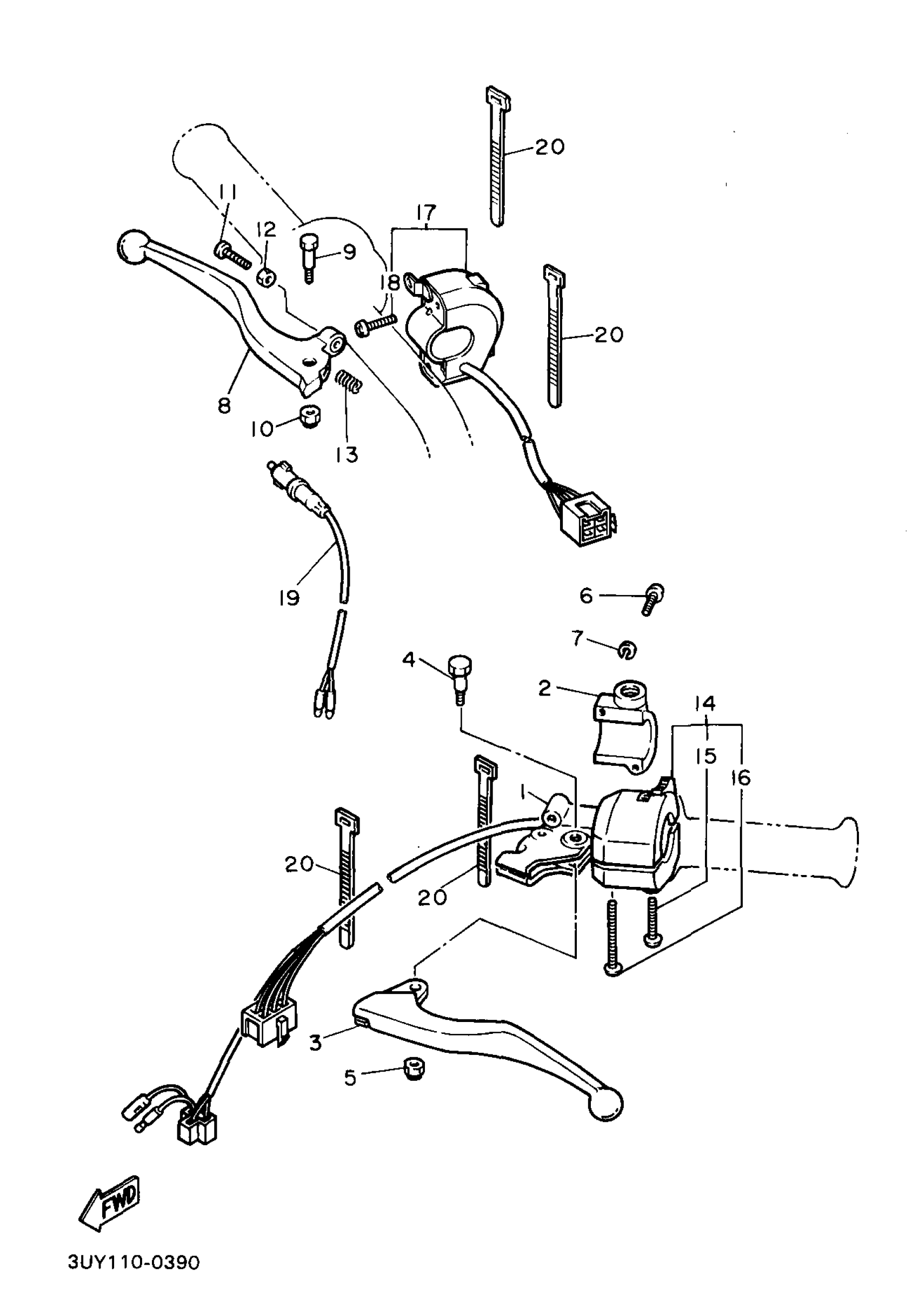
Yamaha XT600EAC (XT600E CA) 1990 HANDLE SWITCH LEVER Diagram
#
Description
Price
14
SWITCH, HANDLE 3
3UY-83973-00-00
Unavailable
15
SCREW, PAN HEAD(41N)
90157-05057-00
Unavailable
16
SCREW, PAN HEAD
98517-05030-00
Unavailable
17
SWITCH, HANDLE 2
3LD-83975-11-00
Unavailable
19
FRONT STOP SWITCH ASSY
3YF-83980-00-00
Unavailable
20
BAND, SWITCH CORD
437-83936-01-00
Unavailable
