- Partiron
- OEM Parts
- Yamaha
- motorcycle
- 1983
- XT550K (XT550) 1983
ELECTRICAL 1
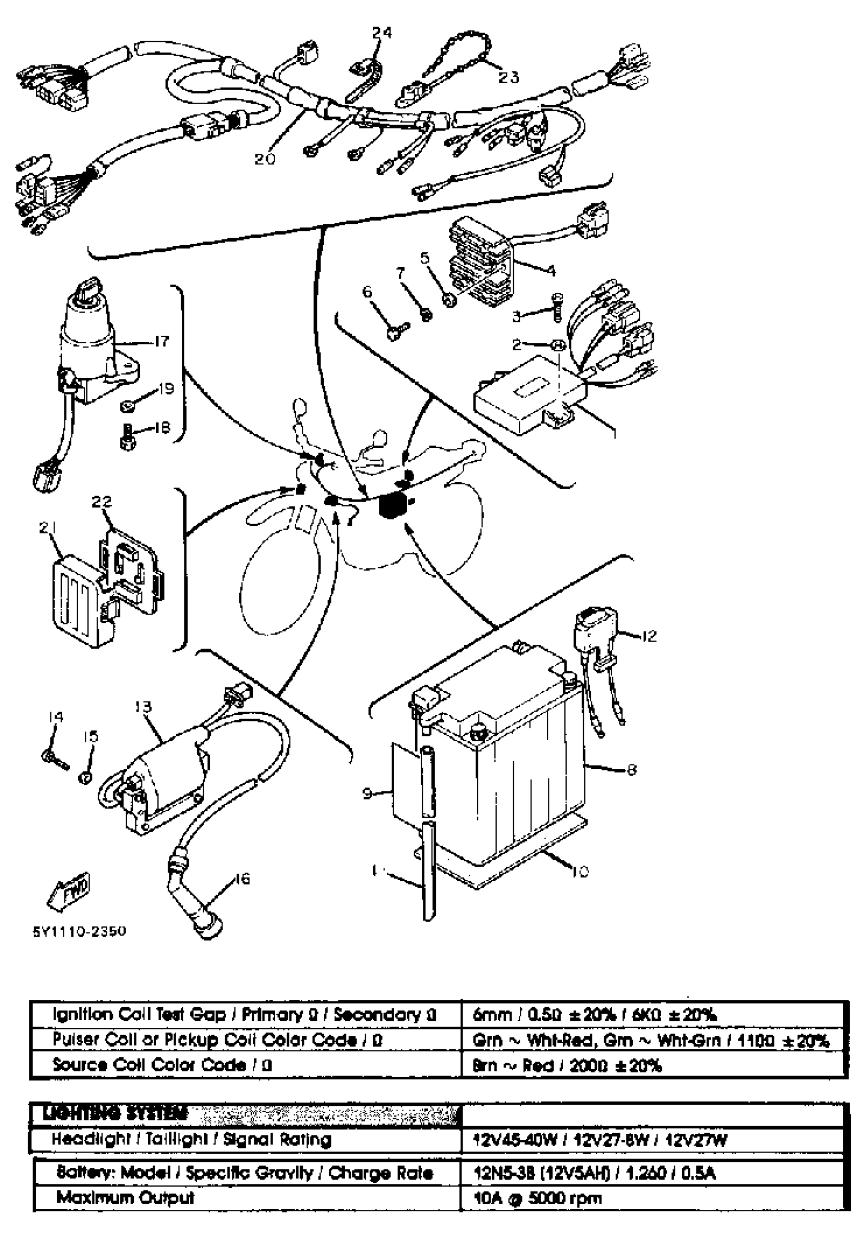
Yamaha XT550K (XT550) 1983 ELECTRICAL 1 Diagram
#
Description
Price
1
CDI UNIT ASSEMBLY
5Y1-85540-52-00
Unavailable
2
WASHER, PLATE
90201-06049-00
Unavailable
3
SCREW, TAPPING
97780-60520-00
Unavailable
4
RECTIFIER & REGULATOR ASSY
3Y6-81960-01-00
Unavailable
5
WASHER, PLATE
90201-06049-00
Unavailable
7
WASHER, SPRING
92995-06100-00
Unavailable
8
12N53B YUASA BATTERY
12N-53BY0-00-00
Unavailable
9
LABEL, BATTERY
40A-82141-G0-00
Unavailable
11
HOSE
90445-08383-00
Unavailable
12
CIRCUIT BREAKER ASSEMBLY
5Y1-82180-00-00
Unavailable
13
IGNITION COIL ASSEMBLY
5Y1-82310-51-00
Unavailable
16
PLUG CAP ASSY
4VW-82370-00-00
Unavailable
16
PLUG CAP ASSEMBLY
(421-82370-11-00)
Unavailable
17
MAIN SWITCH STEERING LOCK
5Y1-82501-80-00
Unavailable
20
WIRE HARNESS ASSEMBLY
5Y1-82590-00-00
Unavailable
21
COVER, CONNECTER
5Y1-82599-00-00
Unavailable
22
PLATE
5Y1-82588-00-00
Unavailable
23
CLAMP
90464-20031-00
Unavailable
24
BAND, SWITCH CORD
437-83936-01-00
Unavailable
