- Partiron
- OEM Parts
- Yamaha
- motorcycle
- 1982
- XT550J (XT550) 1982
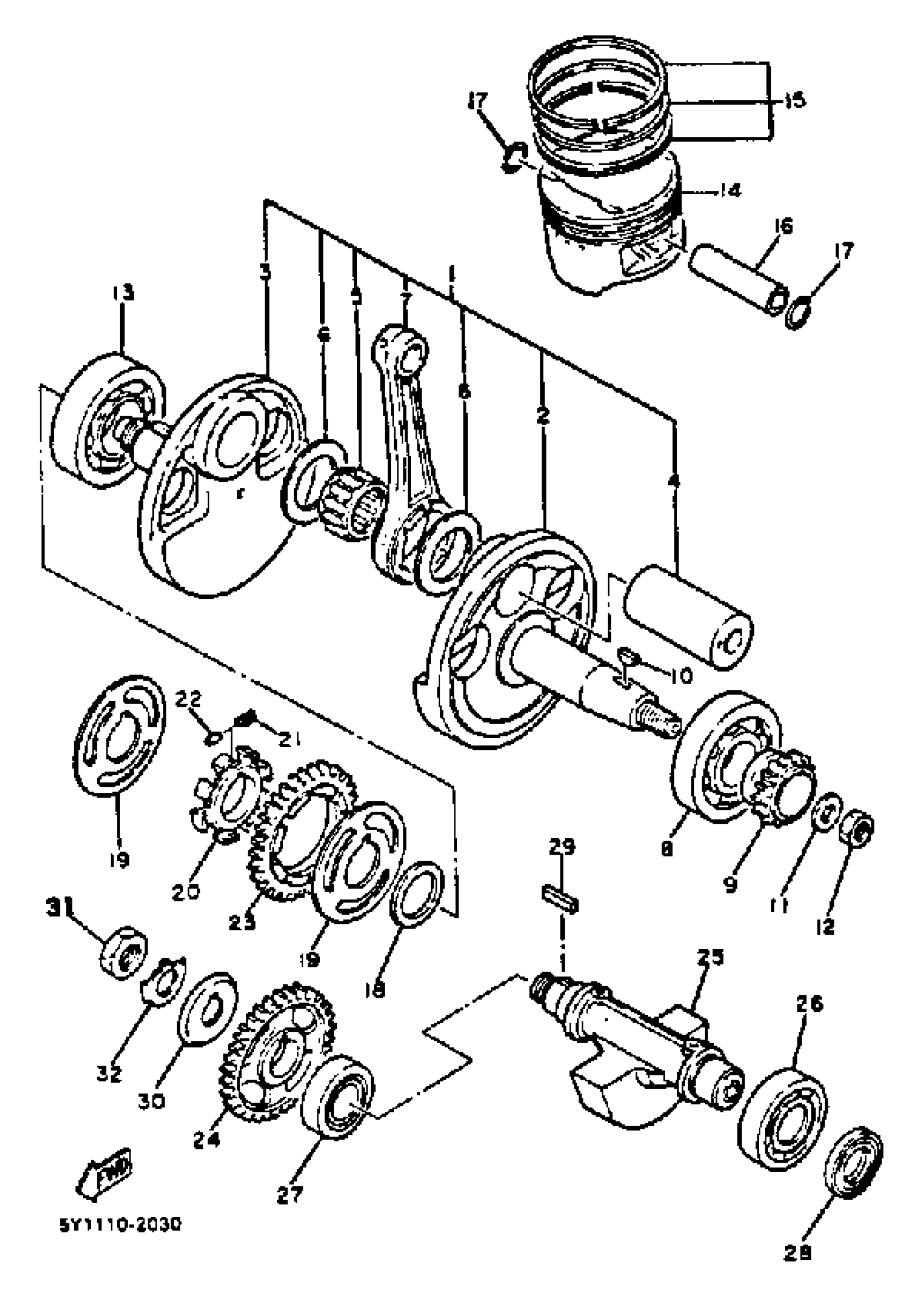
CRANKSHAFT PISTON
Yamaha XT550J (XT550) 1982 CRANKSHAFT PISTON Diagram
#
1
CRANKSHAFT ASSEMBLY
5Y1-11400-00-00
Unavailable
2
CRANK 1
(5Y1-11412-09-00)
Unavailable
3
. CRANK 2
34K-11422-00-00
Unavailable
4
. PIN, CRANK 1
5Y1-11681-00-00
Unavailable
5
BEARING
93310-6340F-00
Unavailable
7
ROD, CONNECTING
34K-11651-00-00
Unavailable
9
SPROCKET, CAM CHAIN
5Y1-11549-00-00
Unavailable
11
WASHER, PLATE
90201-140A6-00
Unavailable
14
PISTON STD (STD)
5Y1-11631-01-A0
Unavailable
14
PISTON 1 O/S 0.25 (1ST O/S 0.25MM)
5Y1-11635-01-00
Unavailable
14
PISTON 3 O/S 0.75 (3RD O/S 0.75MM)
5Y1-11637-01-00
Unavailable
15
PISTON RINGSET STD (1ST O/S)
5Y1-11610-00-00
Unavailable
15
PISTON RINGSET STD (1ST O/S)
5Y1-11610-00-00
Unavailable
15
PISTON RINGSET 3RD (3RD O/S)
5Y1-11610-30-00
Unavailable
16
PIN, PISTON
5A8-11633-00-00
Unavailable
17
CIRCLIP 256116340000
93450-24028-00
Unavailable
18
WASHER, PLATE (5Y1)
90201-301F4-00
Unavailable
19
WASHER, BEARING CVR
(5Y1-11565-00-00)
Unavailable
20
BOSS, BUFFER
5Y1-11496-01-00
Unavailable
21
SPRING, COMPRESSION (5Y1)
90501-22721-00
Unavailable
22
PIN, DOWEL
93605-10090-00
Unavailable
23
GEAR, DRIVE
2JT-11536-00-00
Unavailable
24
GEAR, BALANCE WT 44T
5Y1-11531-00-00
Unavailable
25
WEIGHT 1
5Y1-11454-00-00
Unavailable
26
BEARING (3Y1)
93306-30525-00
Unavailable
27
BEARING, CYLINDER.#13
93313-92513-00
Unavailable
28
OIL SEAL (5Y1)
93101-25106-00
Unavailable
29
KEY, STRAIGHT(34K)
90282-05065-00
Unavailable
30
PLATE, BREATHER 2
34K-11145-00-00
Unavailable
31
NUT, HEXAGON (30X)
90170-16326-00
Unavailable
32
WASHER, LOCK(24V)
90215-16242-00
Unavailable
