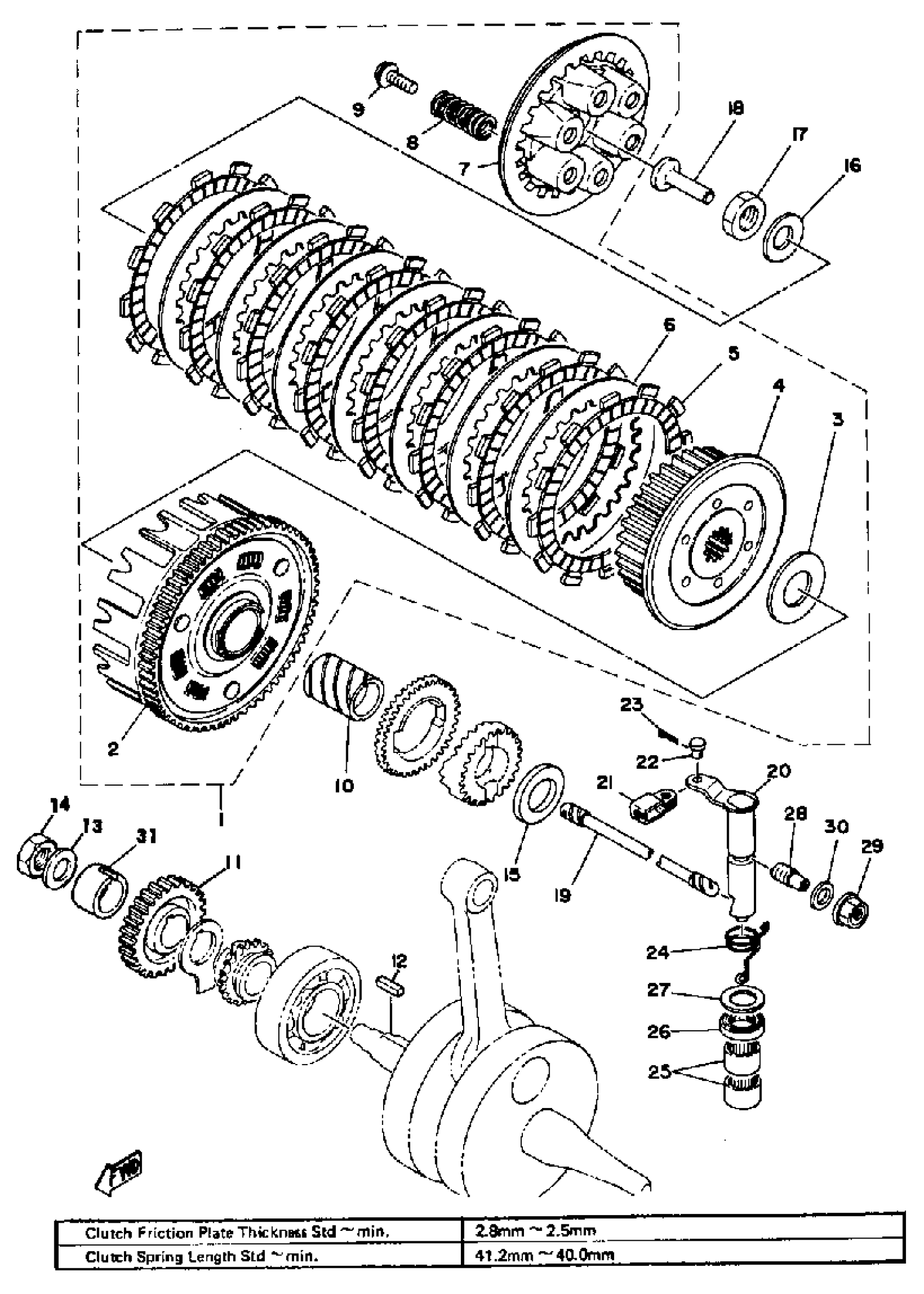
Yamaha XT500G (XT500) 1980 CLUTCH Diagram
#
Description
Price
1
CLUTCH ASSEMBLY
(583-16301-00-00)
Unavailable
2
PRIMARY DRIVEN GEAR COMP
2J2-16150-00-00
Unavailable
7
PLATE, PRESSURE
498-16351-00-00
Unavailable
10
SPACER (583)
90560-25153-00
Unavailable
11
GEAR, PRI DRIVE
583-16111-00-00
Unavailable
16
SPRING
214-16119-00-00
Unavailable
17
NUT HEXAGON 363115550000
90170-18086-00
Unavailable
18
ROD, PUSH
174-16356-00-00
Unavailable
19
ROD, PUSH
583-16357-01-00
Unavailable
20
PUSH LEVER COMP.
583-16381-00-00
Unavailable
21
JOINT
214-16389-00-00
Unavailable
22
PIN W/HOLE 214163790000
90240-06005-00
Unavailable
23
. PIN, COTTER
91401-10015-00
Unavailable
24
SPRING, TORSION (583 CLUTCH)
90508-12279-00
Unavailable
25
BRG,CYL-CAL ROLLER 10G KY
93315-11720-00
Unavailable
26
OIL SEAL (48U)
93102-17357-00
Unavailable
27
WASHER PLATE 168217580000
90201-18262-00
Unavailable
28
SCREW, ADJUSTING
364-16343-00-00
Unavailable
29
NUT, CLUTCH ADJUSTING
583-16344-00-00
Unavailable
30
WASHER, PLATE 3412175700
90201-12172-00
Unavailable
31
COLLAR (2J2)
90387-20644-00
Unavailable
