- Partiron
- OEM Parts
- Yamaha
- motorcycle
- 1978
- XT500E (XT500) 1978
ELECTRICAL
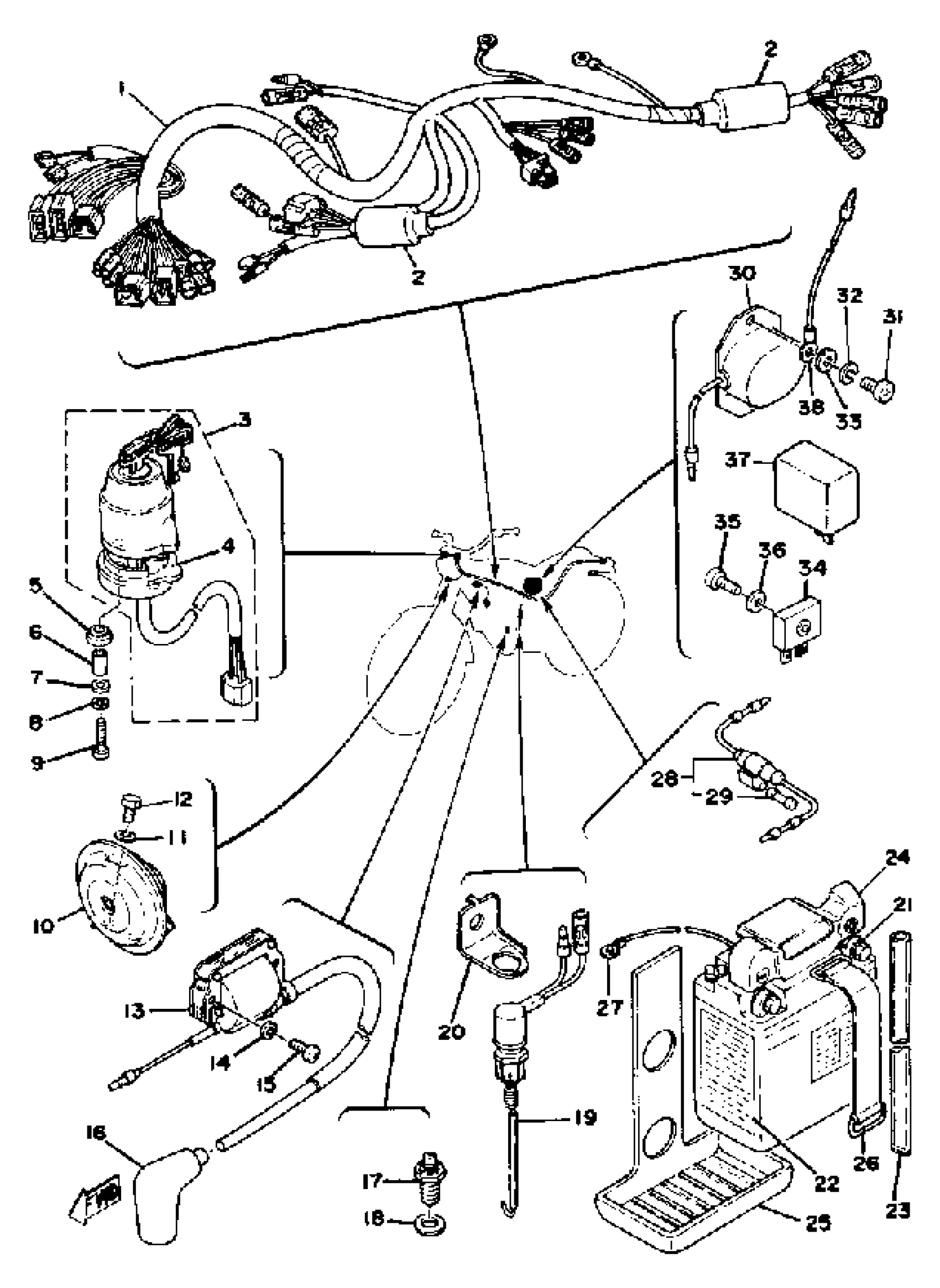
Yamaha XT500E (XT500) 1978 ELECTRICAL Diagram
#
1
WIRE HARNESS ASSEMBLY
(2H0-82590-61-00)
Unavailable
2
COVER, CONNECTER
(538-82599-10-00)
Unavailable
3
MAIN SWITCH ASSEMBLY
1E6-82508-01-00
Unavailable
4
. DAMPER, MAIN SWITCH
437-82555-00-00
Unavailable
5
DAMPER, STOPPER
1M1-82556-00-00
Unavailable
6
COLLAR, MAIN SWITCH
437-82516-00-00
Unavailable
7
WASHER, PLATE (8J0)
90201-05725-00
Unavailable
10
HORN
1N5-83371-20-00
Unavailable
11
WASHER, SPRING
92995-06100-00
Unavailable
13
IGNITION COIL ASSEMBLY
583-82310-50-00
Unavailable
16
PLUG CAP ASSY
56J-82370-00-00
Unavailable
17
NEUTRAL SWITCH ASSY
4GY-82540-10-00
Unavailable
18
GASKET (5R6)
90430-10171-00
Unavailable
19
STOP SWITCH ASSY
1T2-82530-03-00
Unavailable
20
BRACKET, STOP SWTH
1T2-21441-00-00
Unavailable
21
6N6-3B-1 YUASA BATTERY
6N6-3B1Y0-00-00
Unavailable
22
LABEL, BATTERY
40A-82141-G0-00
Unavailable
23
HOSE (L1500)
90445-084J0-00
Unavailable
24
COVER, BATTERY
1E6-82129-00-00
Unavailable
25
SEAT, BATTERY
1E6-82122-01-00
Unavailable
26
BAND, BATTERY
1E6-82131-00-00
Unavailable
27
WIRE, EARTH LEAD
5F7-82519-00-00
Unavailable
28
FUSE HOLDER ASSY
1E6-82150-00-00
Unavailable
29
FUSE (10A)
1E6-82151-00-00
Unavailable
30
VOLTAGE REG ASY
443-81910-62-00
Unavailable
31
SCREW, PAN HEAD(62J)
97885-06012-00
Unavailable
32
WASHER, SPRING
92995-06100-00
Unavailable
34
RECTIFIER ASSY
353-81970-M2-00
Unavailable
35
SCREW, PAN HEAD(6B0)
97885-05016-00
Unavailable
36
WASHER, PLAIN (646)
92990-05600-00
Unavailable
37
FLASHER RELAY ASSY
3BK-83350-00-00
Unavailable
38
WIRE, EARTH LEAD
(47X-82519-00-00)
Unavailable
