- Partiron
- OEM Parts
- Yamaha
- motorcycle
- 1977
- XT500D (XT500) 1977
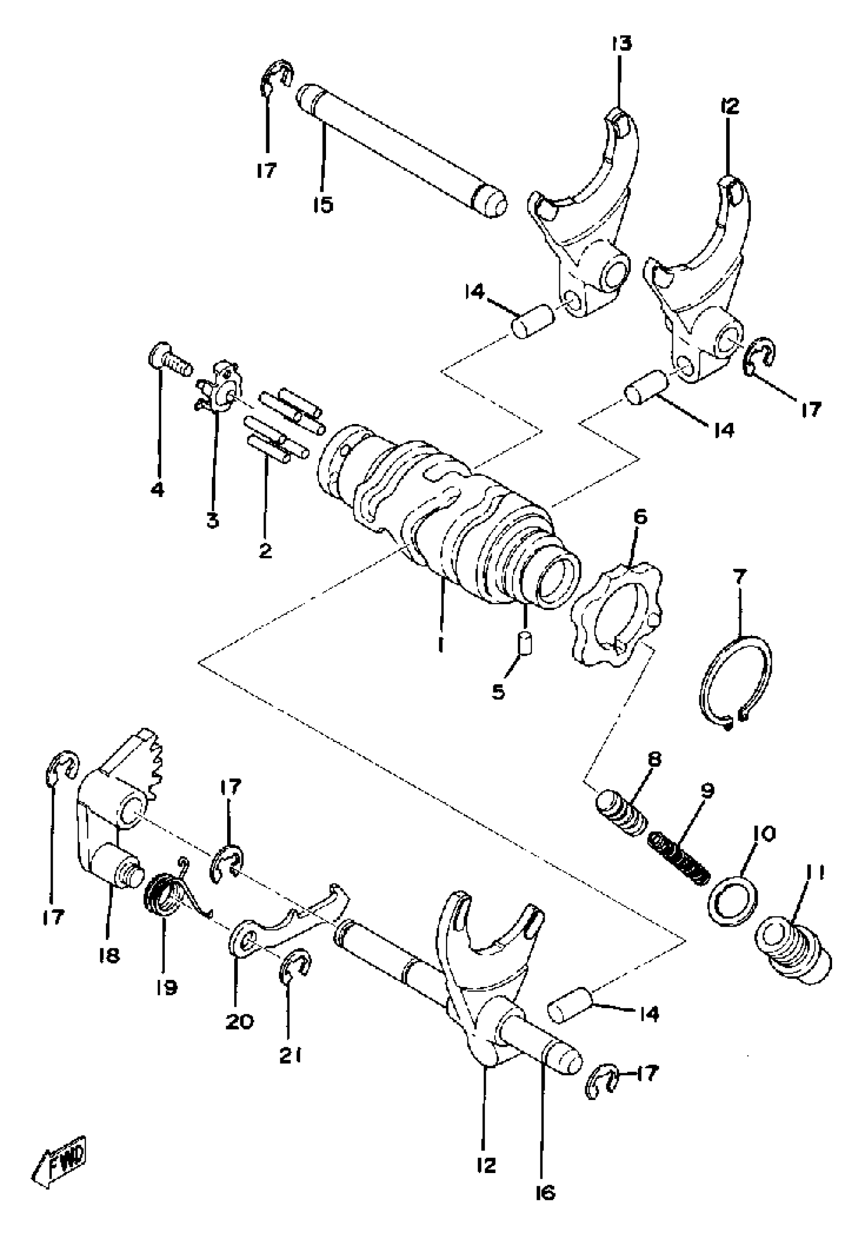
SHIFTER 1
Yamaha XT500D (XT500) 1977 SHIFTER 1 Diagram
#
Description
Price
1
SHIFT CAM ASSEMBLY (434-18541-03)
434-18540-03-00
Unavailable
6
PLATE, STOPPER
1E6-18141-01-00
Unavailable
8
STOPPER, CAM
278-18547-02-00
Unavailable
12
FORK, SHIFT
364-18511-00-00
Unavailable
13
FORK, SHIFT 1
363-18511-00-00
Unavailable
14
PIN, STRAIGHT
90250-08017-00
Unavailable
15
BAR, SHIFT FORK GUIDE 2
363-18535-00-00
Unavailable
16
BAR, SHIF FRK GDE 1
(363-18531-00-00)
Unavailable
17
CIRCLIP(2R6)
99001-08600-00
Unavailable
18
LEVER, CHANGE 2
434-18122-00-00
Unavailable
19
SPRING
90508-08008-00
Unavailable
20
LEVER, CHANGE 3
498-18151-03-00
Unavailable
21
CIRCLIP
99080-07600-00
Unavailable
