- Partiron
- OEM Parts
- Yamaha
- motorcycle
- 1977
- XT500D (XT500) 1977
ELECTRICAL
Yamaha XT500D (XT500) 1977 ELECTRICAL Diagram
#
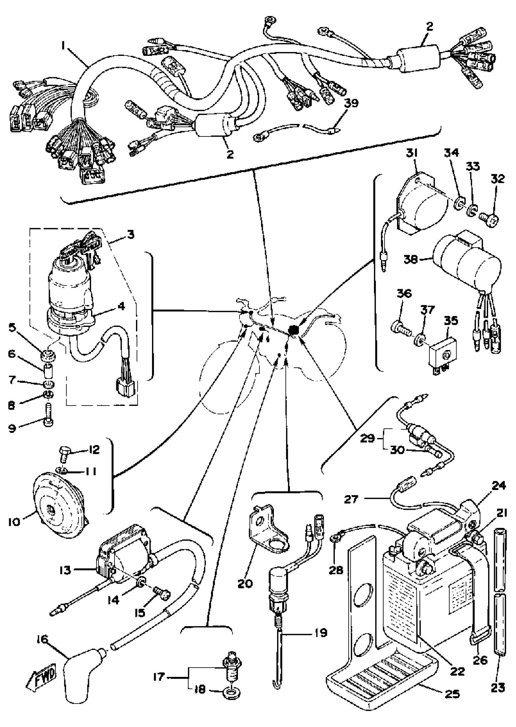
1
WIRE HARNESS ASSEMBLY (1T2-82590-60)
1U6-82590-40-00
Unavailable
1
WIRE HARNESS ASSEMBLY (1T2-82590-60)
1U6-82590-40-00
Unavailable
2
COVER, CONNECTER
(538-82599-10-00)
Unavailable
3
MAIN SWITCH ASSEMBLY
1E6-82508-01-00
Unavailable
4
. DAMPER, MAIN SWITCH
437-82555-00-00
Unavailable
5
DAMPER, STOPPER
1M1-82556-00-00
Unavailable
6
COLLAR, MAIN SWITCH
437-82516-00-00
Unavailable
7
WASHER, PLATE (8J0)
90201-05725-00
Unavailable
10
HORN
1N5-83371-20-00
Unavailable
11
WASHER, SPRING
92995-06100-00
Unavailable
13
IGNITION COIL ASSEMBLY
583-82310-50-00
Unavailable
15
SCREW PAN HEAD
98580-06020-00
Unavailable
16
PLUG CAP ASSY
7KA-82370-00-00
Unavailable
16
PLUG CAP ASSY
56J-82370-00-00
Unavailable
17
NEUTRAL SWITCH ASSY
4GY-82540-10-00
Unavailable
18
GASKET
296-82543-00-00
Unavailable
19
STOP SWITCH ASSY
1T2-82530-03-00
Unavailable
20
BRACKET, STOP SWTH
1T2-21441-00-00
Unavailable
21
6N6-3B-1 YUASA BATTERY
6N6-3B1Y0-00-00
Unavailable
22
LABEL, BATTERY
40A-82141-G0-00
Unavailable
23
HOSE (L1500)
90445-084J0-00
Unavailable
24
COVER, BATTERY
1E6-82129-00-00
Unavailable
25
SEAT, BATTERY
1E6-82122-01-00
Unavailable
26
BAND, BATTERY
1E6-82131-00-00
Unavailable
27
WIRE, SUB-LEAD
J42-82318-00-00
Unavailable
28
WIRE, EARTH LEAD
5F7-82519-00-00
Unavailable
29
FUSE HOLDER ASSY
1E6-82150-00-00
Unavailable
30
FUSE (10A)
1E6-82151-00-00
Unavailable
31
VOLTAGE REG ASY
443-81910-62-00
Unavailable
32
SCREW, PAN HEAD(62J)
97885-06012-00
Unavailable
33
WASHER, SPRING
92995-06100-00
Unavailable
34
WASHER, PLAIN (646)
92990-06600-00
Unavailable
35
RECTIFIER ASSY
353-81970-M2-00
Unavailable
36
SCREW, PAN HEAD(6B0)
97885-05016-00
Unavailable
37
WASHER, PLAIN (646)
92990-05600-00
Unavailable
38
FLASHER RELAY ASSEMBLY
438-83350-62-00
Unavailable
39
WIRE, EARTH LEAD
(47X-82519-00-00)
Unavailable
