- Partiron
- OEM Parts
- Yamaha
- motorcycle
- 1976
- XT500C (XT500) 1976
TAILLIGHT
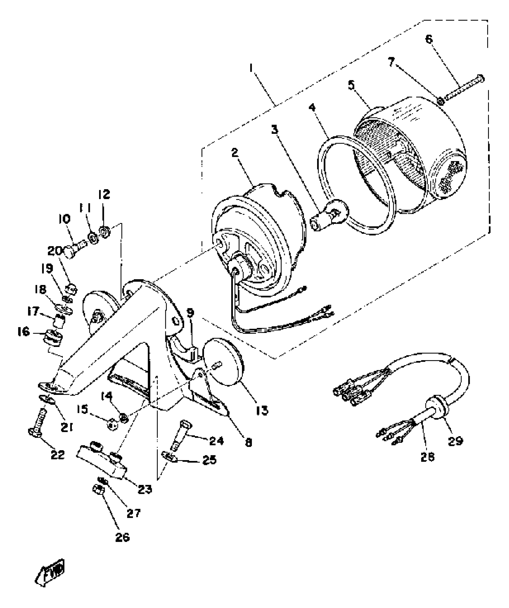
Yamaha XT500C (XT500) 1976 TAILLIGHT Diagram
#
Description
Price
1
TAIL LIGHT UNIT ASSEMBLY
437-84510-62-00
Unavailable
2
BASE, TAILLIGHT
(444-84711-61-00)
Unavailable
3
. BULB
1M1-84514-60-00
Unavailable
4
. GASKET, LENS
275-84523-60-00
Unavailable
5
. LENS, TAIL LIGHT
341-84721-60-00
Unavailable
6
SCREW, PANHEAD (4G7)
98580-04055-00
Unavailable
7
. WASHER
341-84722-60-00
Unavailable
8
BRACKET, LICENCE
1E6-84551-61-35
Unavailable
9
DAMPER
(437-84527-60-00)
Unavailable
10
SCREW
(479-84526-00-00)
Unavailable
12
. DAMPER
275-84527-60-00
Unavailable
16
GROMMET 839774310000
90480-14023-00
Unavailable
17
COLLAR
90387-07020-00
Unavailable
18
WASHER
90209-06012-00
Unavailable
19
WASHER, SPRING
92995-06100-00
Unavailable
20
NUT (J17)
95380-06800-00
Unavailable
21
WASHER, PLATE
90201-06380-00
Unavailable
22
BOLT, HEXAGON
97017-06025-00
Unavailable
23
DAMPER
308-84553-00-00
Unavailable
24
BOLT 338845520000
90109-06022-00
Unavailable
25
WASHER, SPECIAL (498)
90209-08125-00
Unavailable
26
NUT, HEXAGON
95380-06600-00
Unavailable
27
WASHER, SPRING
92995-06100-00
Unavailable
28
CORD, TAILLIGHT
1E6-84517-00-00
Unavailable
29
GROMMET (438)
90480-15061-00
Unavailable
