- Partiron
- OEM Parts
- Yamaha
- motorcycle
- 1987
- XT350TC (XT350 CA) 1987
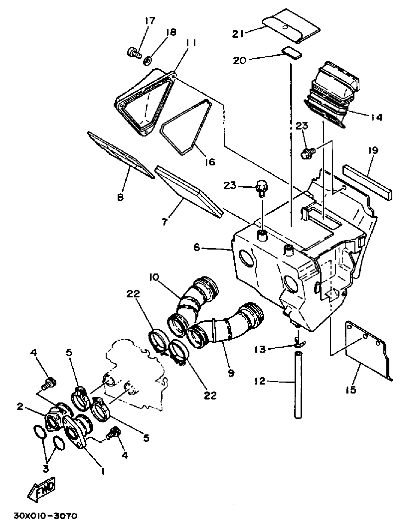
AIR FILTER
Yamaha XT350TC (XT350 CA) 1987 AIR FILTER Diagram
#
Description
Price
4
BOLT,SOCKET
91317-06020-00
Unavailable
6
AIR CLEANER CASE ASSEMBLY
30X-14401-00-00
Unavailable
8
GUIDE
30X-14458-00-00
Unavailable
9
JOINT, AIR CLEANER 1
30X-14453-01-00
Unavailable
10
JOINT
30X-14454-01-00
Unavailable
11
CAP, CLEANER CASE 1
30X-14412-00-00
Unavailable
13
CLIP(6M6)
90467-13M13-00
Unavailable
14
DUCT
30X-14437-00-00
Unavailable
15
FLAP
30X-21621-00-00
Unavailable
16
SEAL
51Y-14462-00-00
Unavailable
17
SCREW, PAN HEAD(6B0)
97885-05016-00
Unavailable
18
WASHER, PLAIN (646)
92990-05600-00
Unavailable
19
DAMPER 2
30X-14426-00-00
Unavailable
20
HOOK
4K5-2814E-10-00
Unavailable
21
POUCH
4U7-28186-00-00
Unavailable
22
CLAMP HOSE 278144550000
90460-49058-00
Unavailable
23
BOLT, FLANGE
95817-06012-00
Unavailable
