- Partiron
- OEM Parts
- Yamaha
- motorcycle
- 1985
- XT350NC (XT350 CA) 1985
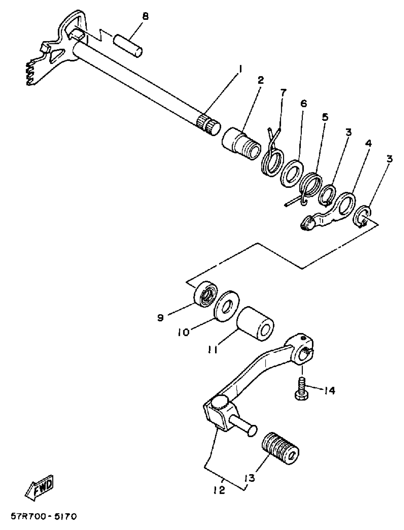
SHIFT SHAFT
Yamaha XT350NC (XT350 CA) 1985 SHIFT SHAFT Diagram
#
Description
Price
1
SHIFT SHAFT ASSEMBLY
30X-18101-01-00
Unavailable
5
SPRING, TORSION
90508-26434-00
Unavailable
8
PIN, DOWEL
93608-30152-00
Unavailable
12
SHIFT PEDAL ASSY
30X-18110-01-00
Unavailable
