- Partiron
- OEM Parts
- Yamaha
- motorcycle
- 1985
- XT350NC (XT350 CA) 1985
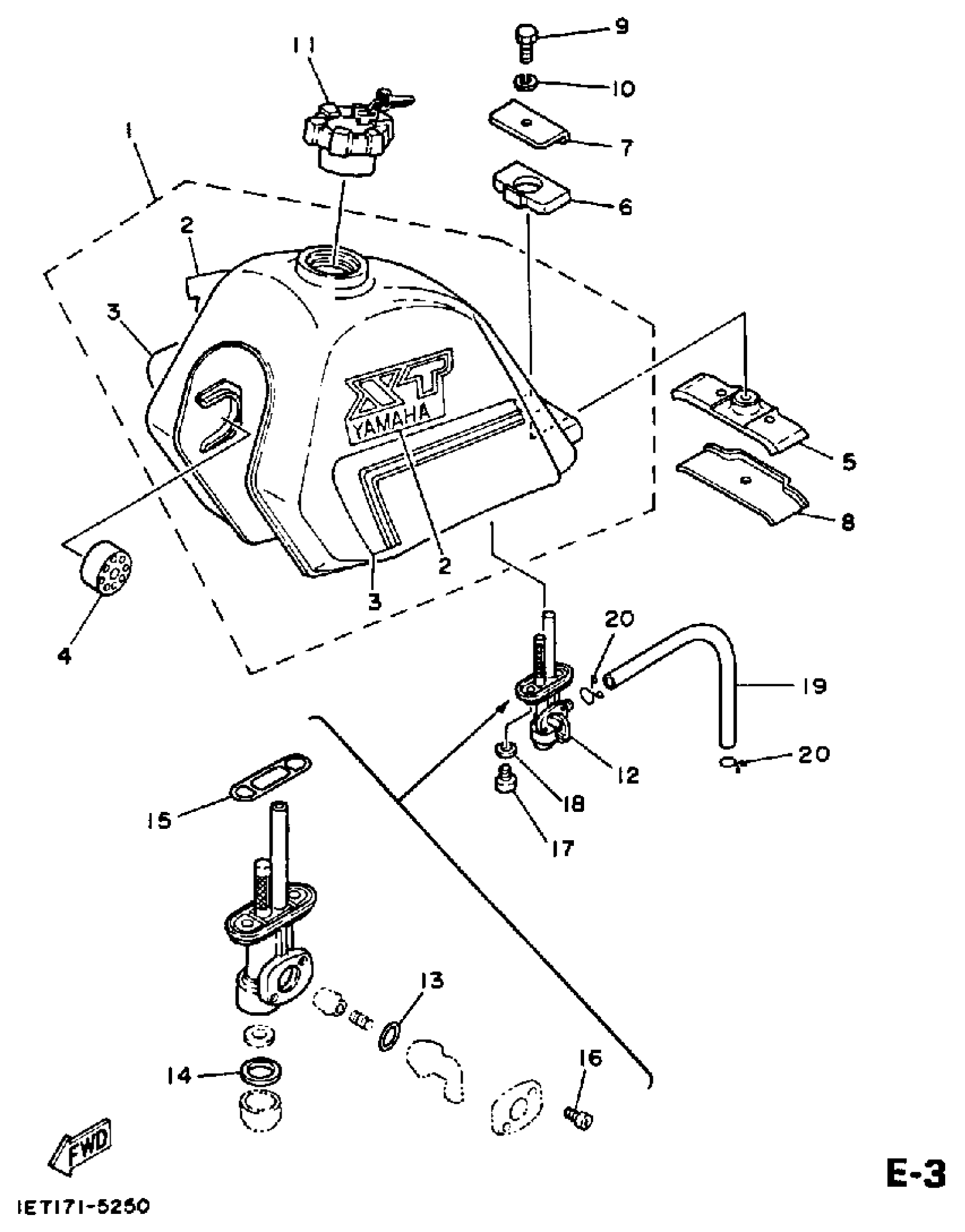
FUEL TANK XT350N
Yamaha XT350NC (XT350 CA) 1985 FUEL TANK XT350N Diagram
#
1
FUEL TANK
30X-24110-G0-07
Unavailable
1
FUEL TANK
43E-24110-00-06
Unavailable
2
. EMBLEM 1
42U-24161-01-00
Unavailable
3
GRAPHIC SET
(57T-24240-00-00)
Unavailable
10
WASHER, SPRING
92995-06100-00
Unavailable
11
CAP ASSY
48Y-24602-00-00
Unavailable
11
CAP ASSY
56R-24602-00-00
Unavailable
14
GASKET
4X8-24565-10-00
Unavailable
15
O-RING
4X8-24512-00-00
Unavailable
16
SCREW
4X8-24535-00-00
Unavailable
17
SCREW 256241430000
90149-06011-00
Unavailable
18
WASHER, PLATE(3MB)
90202-05187-00
Unavailable
19
HOSE (L200)
90445-10752-00
Unavailable
20
CLIP
90467-090A2-00
Unavailable
21
CANISTER ASSEMBLY
56R-24170-00-00
Unavailable
22
GROMMET(56R)
90480-15342-00
Unavailable
23
COLLAR(52E)
90387-063G3-00
Unavailable
24
BOLT, HEXAGON
97017-06025-00
Unavailable
25
WASHER, SPRING
92907-06100-00
Unavailable
26
ROLL OVER VALVE ASSY
20K-24180-00-00
Unavailable
27
O-RING (4G0)
93210-11453-00
Unavailable
28
PIPE 4
56R-24314-00-00
Unavailable
29
PIPE, FUEL 1
4KN-24311-01-00
Unavailable
30
HOSE (56R)
(90446-11242-00)
Unavailable
31
CLIP
90467-090A2-00
Unavailable
32
CLIP(1JH)
90467-11106-00
Unavailable
33
CLAMP(56R)
90464-60067-00
Unavailable
