- Partiron
- OEM Parts
- Yamaha
- motorcycle
- 2000
- XT350MC (XT350 CA) 5LJ1 2000
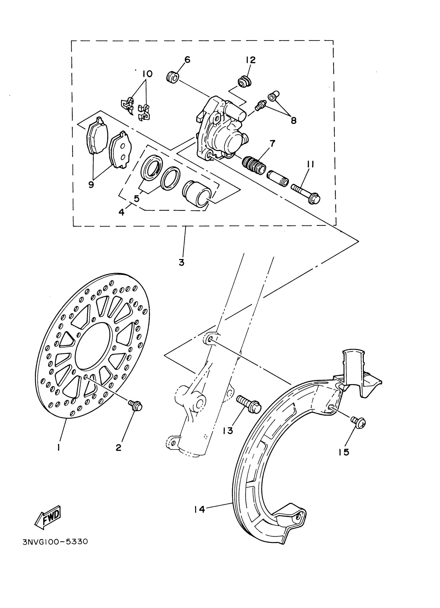
FRONT BRAKE CALIPER
Yamaha XT350MC (XT350 CA) 5LJ1 2000 FRONT BRAKE CALIPER Diagram
#
Description
Price
3
CALIPER ASSEMBLY (LEFT)
59Y-2580T-10-00
Unavailable
10
SUPPORT, PAD
34X-25919-00-00
Unavailable
14
COVER 1
55V-25715-20-00
Unavailable
