- Partiron
- OEM Parts
- Yamaha
- motorcycle
- 1999
- XT350LC (XT350 CA) 3NVVC 1999
ELECTRICAL 1
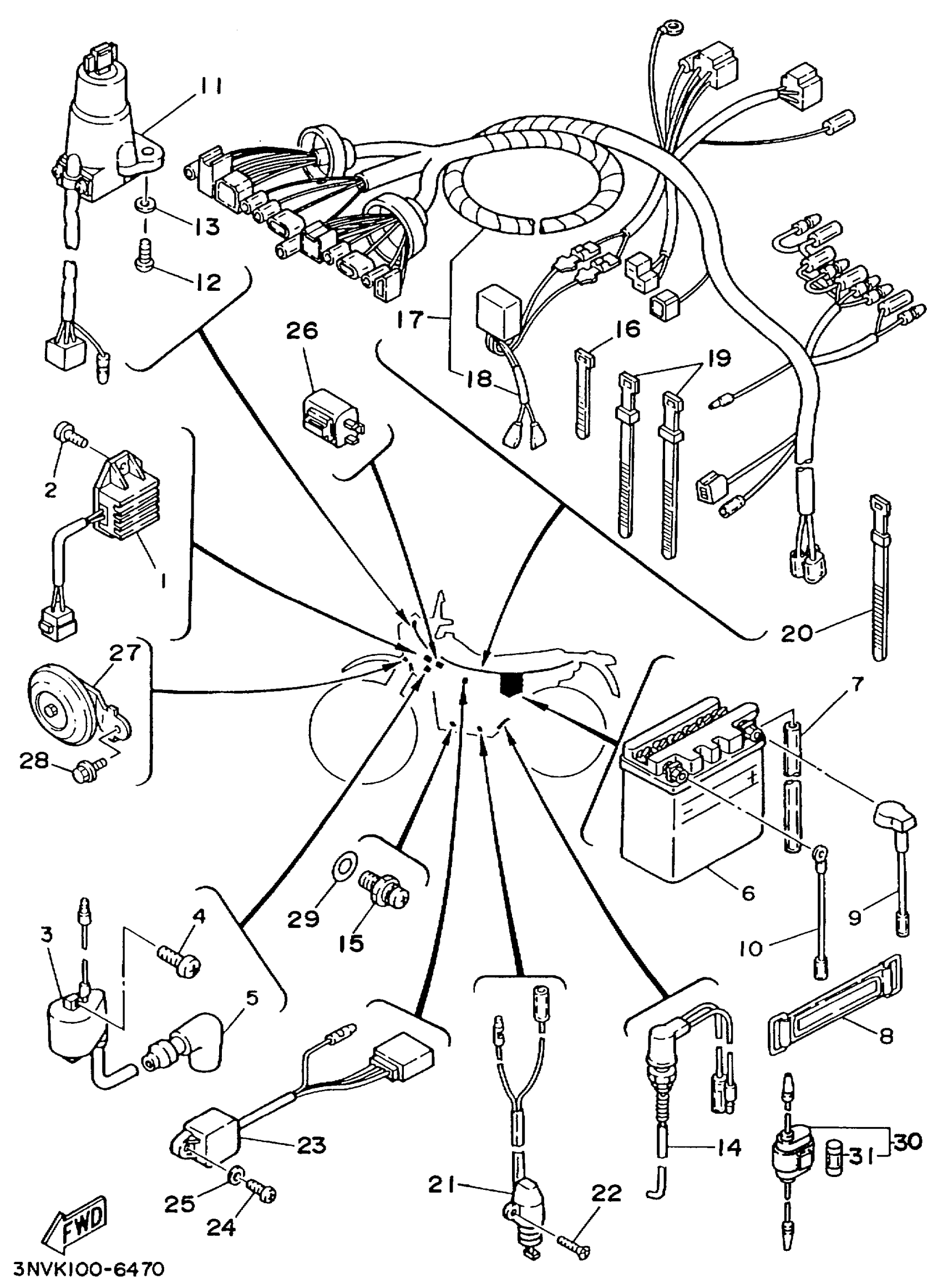
Yamaha XT350LC (XT350 CA) 3NVVC 1999 ELECTRICAL 1 Diagram
#
Description
Price
1
RECTIFIER & REGULATOR ASSEMBLY
33G-81960-60-00
Unavailable
1
RECTIFIER & REGULATOR ASSEMBLY
33G-81960-60-00
Unavailable
3
IGNITION COIL ASSY
3SR-82310-10-00
Unavailable
6
CB3LB GS BATTERY
CB3-LB000-00-00
Unavailable
9
WIRE, PLUS LEAD
1M1-82115-00-00
Unavailable
10
WIRE, LEAD
558-82116-00-00
Unavailable
11
MAIN SWITCH STEERING LOCK
2GK-82501-01-00
Unavailable
14
STOP SWITCH ASSEMBLY
30X-82530-02-00
Unavailable
15
NEUTRAL SWITCH ASSY
4GY-82540-10-00
Unavailable
16
BAND
1UA-82591-00-00
Unavailable
17
WIRE HARNESS ASSEMBLY
2GK-82590-00-00
Unavailable
18
. CONDENSER 1
57T-81325-00-00
Unavailable
19
BAND, SWITCH CORD
437-83936-01-00
Unavailable
20
BAND, SWITCH CORD
25G-83936-01-00
Unavailable
21
SWICH, SIDE STAND
5Y1-82566-00-00
Unavailable
22
SCREW, FLAT
98707-05016-00
Unavailable
23
CONTROL UNIT ASSEMBLY
4Y3-85590-M0-00
Unavailable
24
SCREW, PAN HEAD(3TJ)
98507-06016-00
Unavailable
26
FLASHER RELAY ASSY
30X-83350-20-00
Unavailable
27
HORN
30X-83371-20-00
Unavailable
28
BOLT, FLANGE
95817-06010-00
Unavailable
29
GASKET (1KH,1.0T)
90430-10148-00
Unavailable
30
FUSE HOLDER ASSY
55K-82150-02-00
Unavailable
31
FUSE
1A0-82151-00-00
Unavailable
