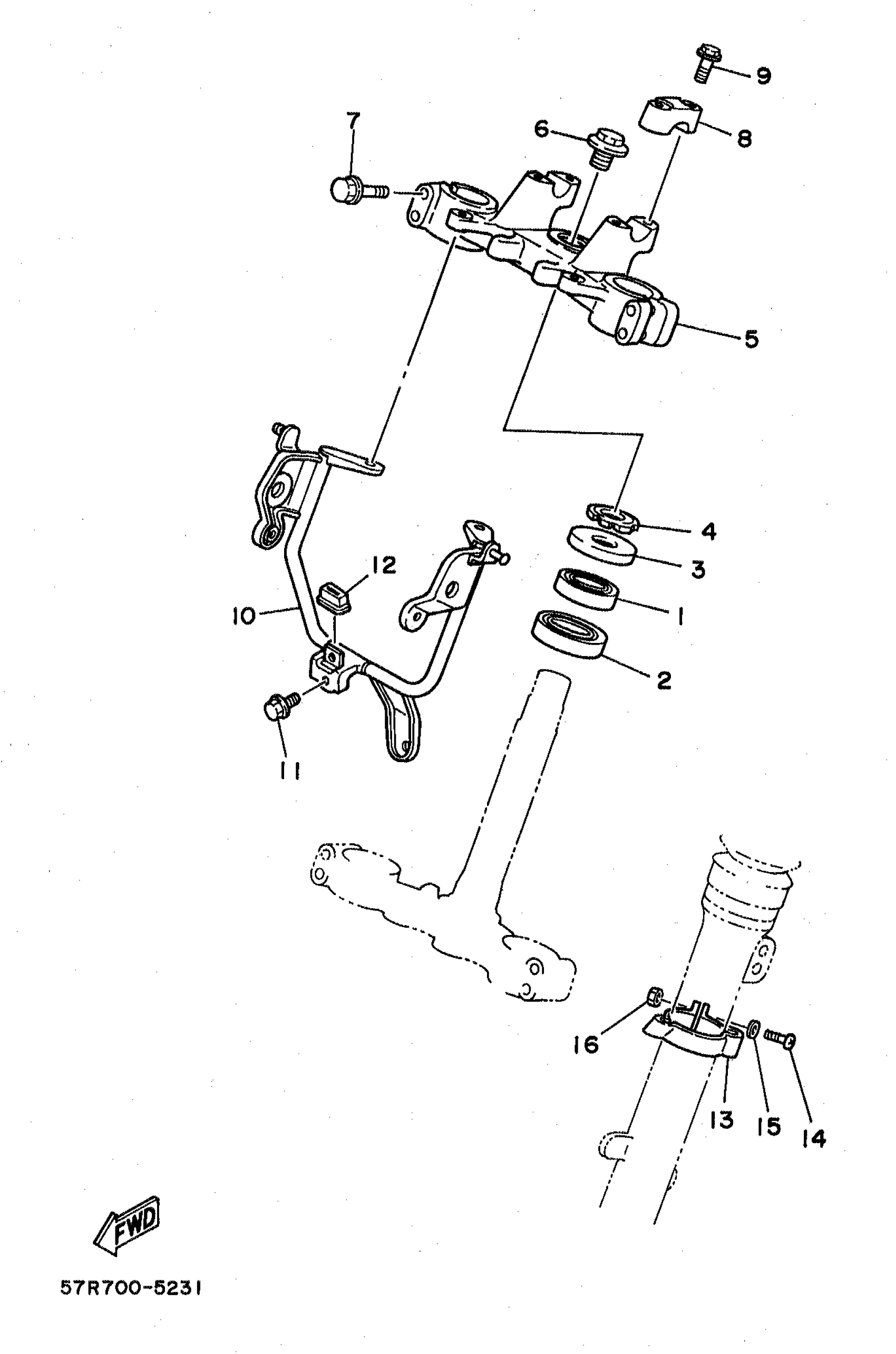
Yamaha XT350KC (XT350 CA) 1998 STEERING Diagram
#
Description
Price
3
COVER, BALL RACE 2
1W1-23416-00-00
Unavailable
5
CROWN, HANDLE
30X-23435-00-35
Unavailable
10
STAY, HEADLIGHT
30X-23174-00-00
Unavailable
16
NUT, HEXAGON
95317-05600-00
Unavailable
