- Partiron
- OEM Parts
- Yamaha
- motorcycle
- 1995
- XT350GC (XT350 CA) 1995
REAR WHEEL
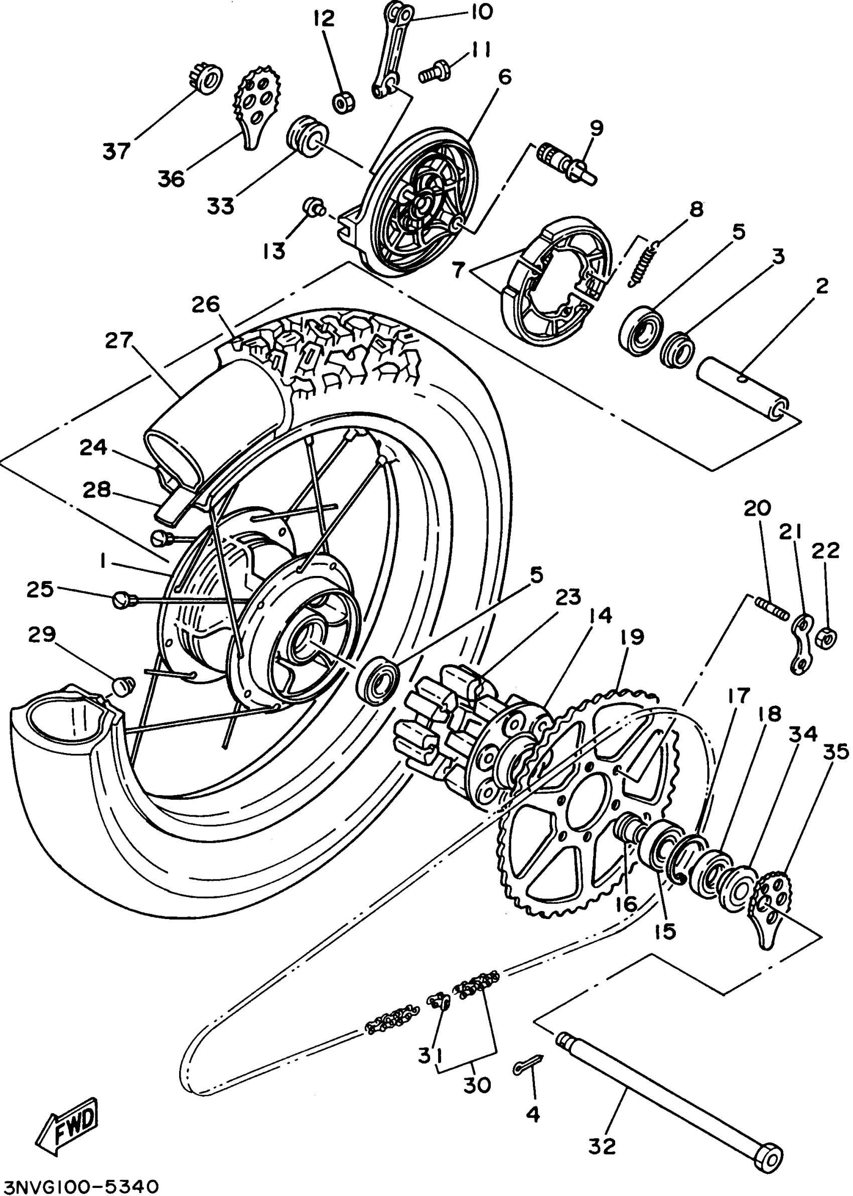
Yamaha XT350GC (XT350 CA) 1995 REAR WHEEL Diagram
#
Description
Price
1
HUB, REAR
3Y1-25311-00-98
Unavailable
2
SPACER
90560-17311-00
Unavailable
6
BRAKE SHOE PLATE ASSEMBLY
3Y1-25026-00-98
Unavailable
10
LEVER, CAMSHAFT
3R6-25355-01-00
Unavailable
14
CLUTCH, HUB
3Y1-25366-00-98
Unavailable
16
COLLAR, WHEEL
3Y1-25377-00-00
Unavailable
17
CIRCLIP(48Y)
99009-47500-00
Unavailable
18
OIL SEAL (28X47X7-102)
93102-28022-00
Unavailable
19
SPROCKET, DRIVEN (55T)
55V-25455-50-00
Unavailable
20
BOLT, STUD (36X)
90116-08425-00
Unavailable
21
WASHER, LOCK (3Y2)
90215-08160-00
Unavailable
22
NUT (3Y2)
90170-08258-00
Unavailable
23
DAMPER
3Y1-25364-00-00
Unavailable
24
RIM (2.15-18)
94421-18418-00
Unavailable
25
SPOKE SET, REAR
4Y0-25304-00-00
Unavailable
26
TIRE (110/80-18-58P)
94111-182G9-00
Unavailable
27
TUBE (5A8)
94212-18188-00
Unavailable
28
BAND, RIM (2J4)
94340-18086-00
Unavailable
30
CHAIN (D.I.D.428VS-130L)
94580-78130-00
Unavailable
31
JOINT, CHAIN (DID428V2-FJ,1KH)
94681-33011-00
Unavailable
32
AXLE, WHEEL
4KM-25381-00-00
Unavailable
33
COLLAR(3SX)
90387-170X9-00
Unavailable
34
COLLAR, WHEEL
3Y1-25383-00-00
Unavailable
35
PULLER, CHAIN 1
3Y1-25388-01-00
Unavailable
36
PULLER, CHAIN 2
3Y1-25389-00-00
Unavailable
37
NUT, CASTLE (2H6)
90171-16024-00
Unavailable
