- Partiron
- OEM Parts
- Yamaha
- motorcycle
- 1991
- XT350BC (XT350 CA) 1991
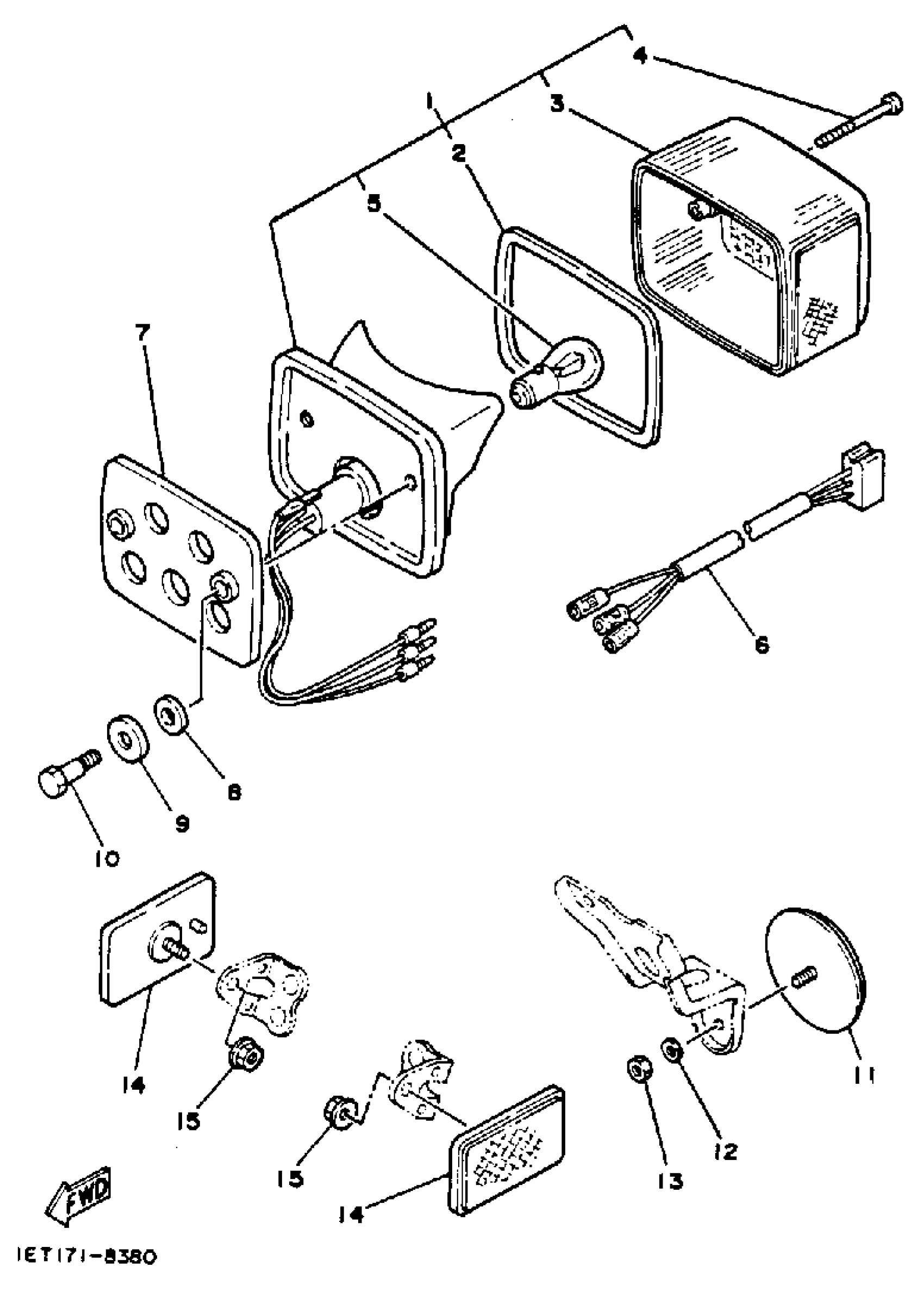
TAILLIGHT
Yamaha XT350BC (XT350 CA) 1991 TAILLIGHT Diagram
#
Description
Price
6
CORD, TAILLIGHT
42U-84517-00-00
Unavailable
7
DAMPER
4L0-84753-00-00
Unavailable
12
WASHER, PLATE (8J0)
90201-05725-00
Unavailable
