- Partiron
- OEM Parts
- Yamaha
- motorcycle
- 1991
- XT350BC (XT350 CA) 1991
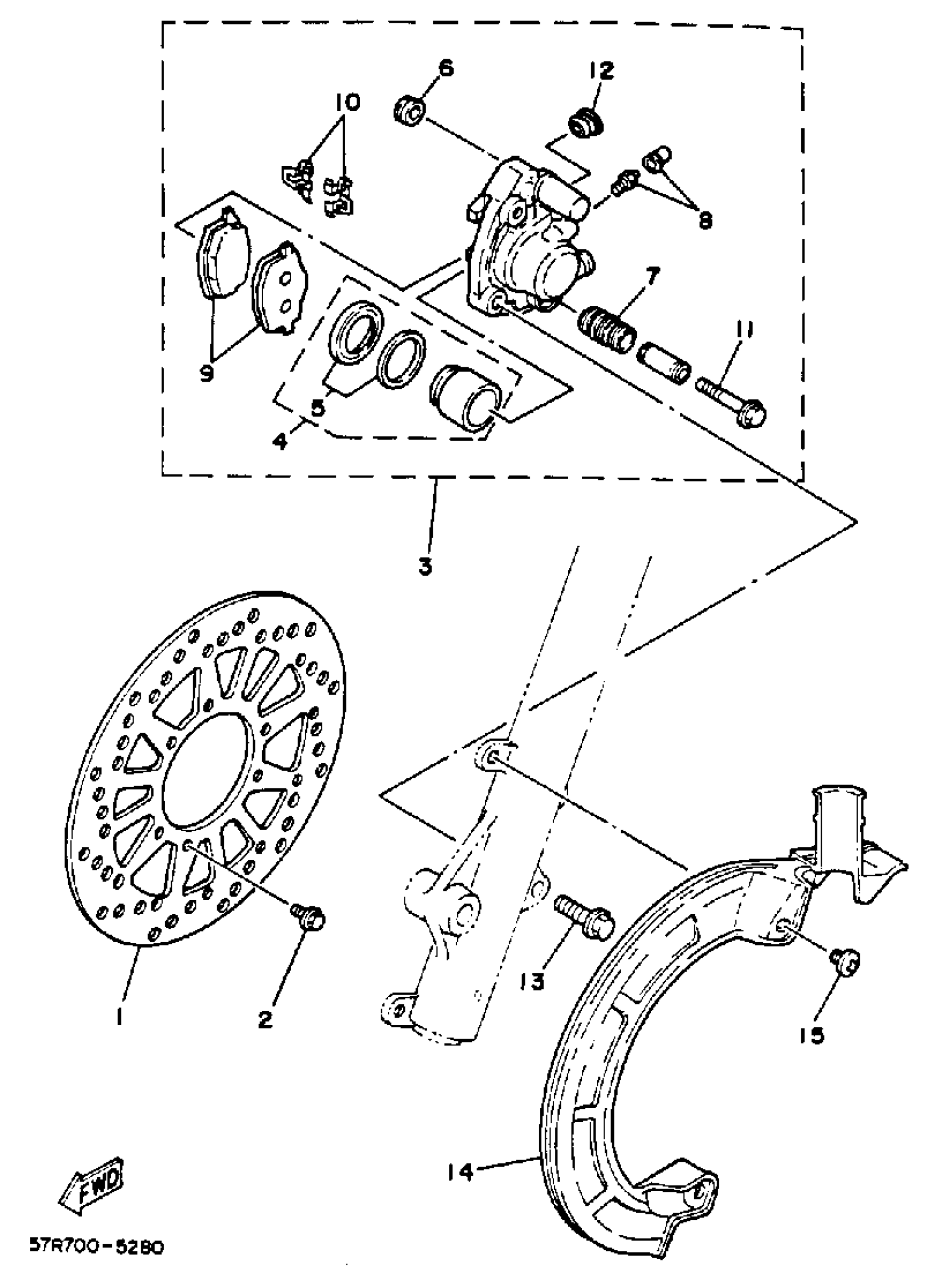
FRONT BRAKE CALIPER
Yamaha XT350BC (XT350 CA) 1991 FRONT BRAKE CALIPER Diagram
#
Description
Price
2
BOLT
90109-06757-00
Unavailable
3
CALIPER ASSY LEFT
1RH-2580T-01-00
Unavailable
10
SUPPORT, PAD
34X-25919-00-00
Unavailable
14
COVER 1
55V-25715-00-00
Unavailable
15
SCREW(36F)
90149-06194-00
Unavailable
