- Partiron
- OEM Parts
- Yamaha
- motorcycle
- 1990
- XT350AC (XT350 CA) 1990
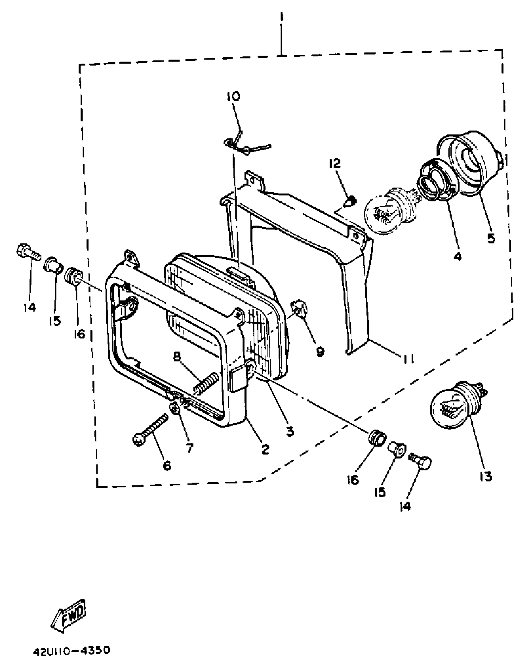
HEADLIGHT
Yamaha XT350AC (XT350 CA) 1990 HEADLIGHT Diagram
#
Description
Price
1
HEADLIGHT UNIT ASSEMBLY
42U-84303-60-00
Unavailable
3
. LENS ASSEMBLY
42U-84321-60-00
Unavailable
4
. HOLDER, BULB
341-84393-40-00
Unavailable
5
. COVER
46X-84396-00-00
Unavailable
11
COVER
10V-84196-00-00
Unavailable
12
CLIP COVER FITTING
10V-84198-00-00
Unavailable
13
BULB, HEAD LIGHT (12V45/40W
1U4-84314-40-XX
Unavailable
16
GROMMET 839774310000
90480-14023-00
Unavailable
