- Partiron
- OEM Parts
- Yamaha
- motorcycle
- 1990
- XT350AC (XT350 CA) 1990
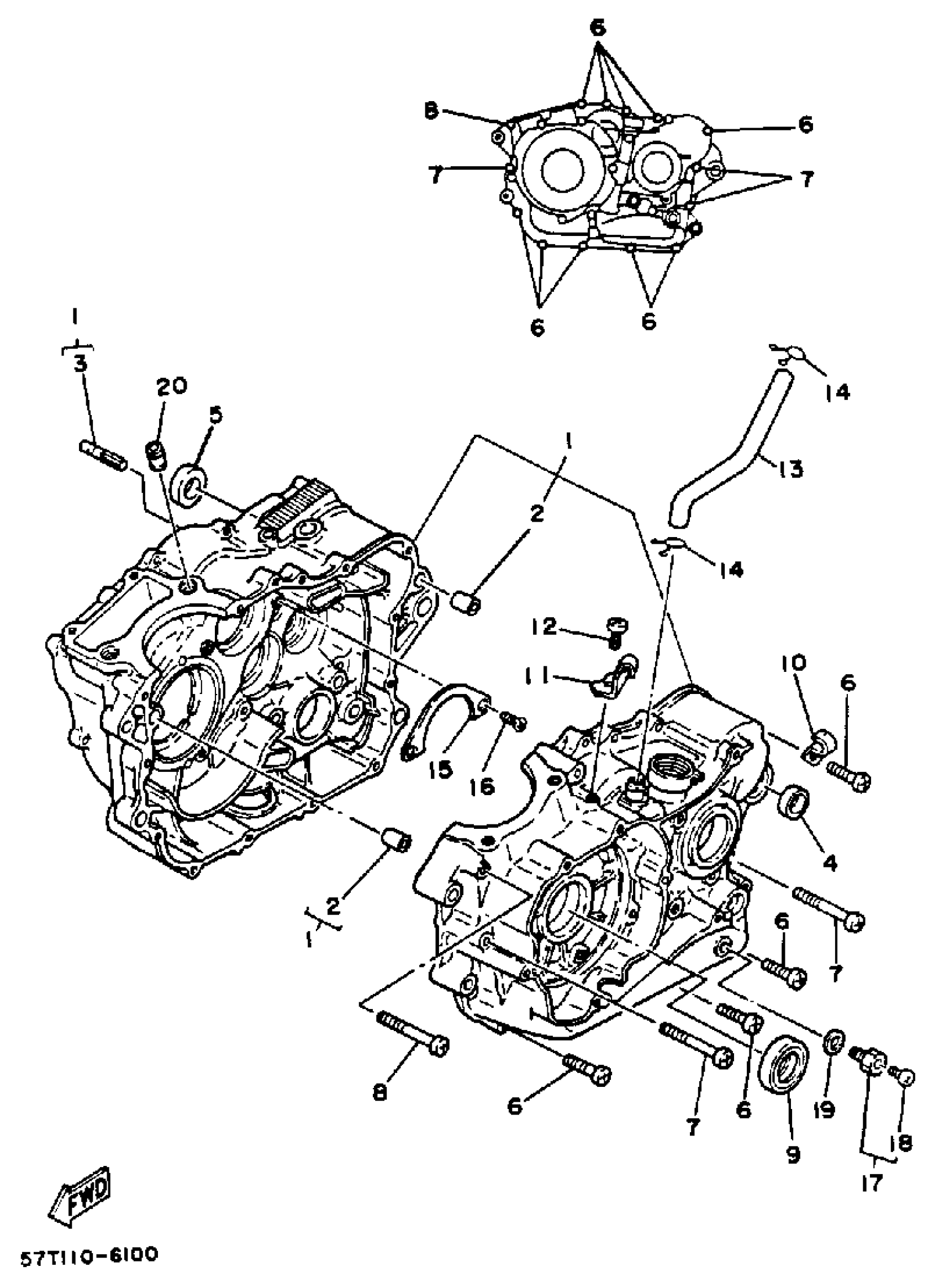
CRANKCASE
Yamaha XT350AC (XT350 CA) 1990 CRANKCASE Diagram
#
Description
Price
1
CRANKCASE ASSY
55V-15100-03-00
Unavailable
5
COLLAR (30X)
90387-172J0-00
Unavailable
6
SCREW, PAN
98517-06030-00
Unavailable
10
CLAMP(51Y)
90465-08277-00
Unavailable
11
HOLDER, CLUTCH CABLE
51Y-15441-00-00
Unavailable
13
PIPE, BREATHER 1
30X-11166-00-00
Unavailable
15
PLATE, BEARING COVER
30X-15383-00-00
Unavailable
16
SCREW, FLAT
98707-06014-00
Unavailable
17
PLUG, STRAIGHT SCREW(3FA)
90340-14132-00
Unavailable
18
SCREW, BIND(2TV)
98980-06008-00
Unavailable
19
GASKET
214-11198-01-00
Unavailable
20
PIN, DOWEL
99530-14016-00
Unavailable
