- Partiron
- OEM Parts
- Yamaha
- motorcycle
- 2010
- XT250ZC (XT250 CA) 3C5J 2010
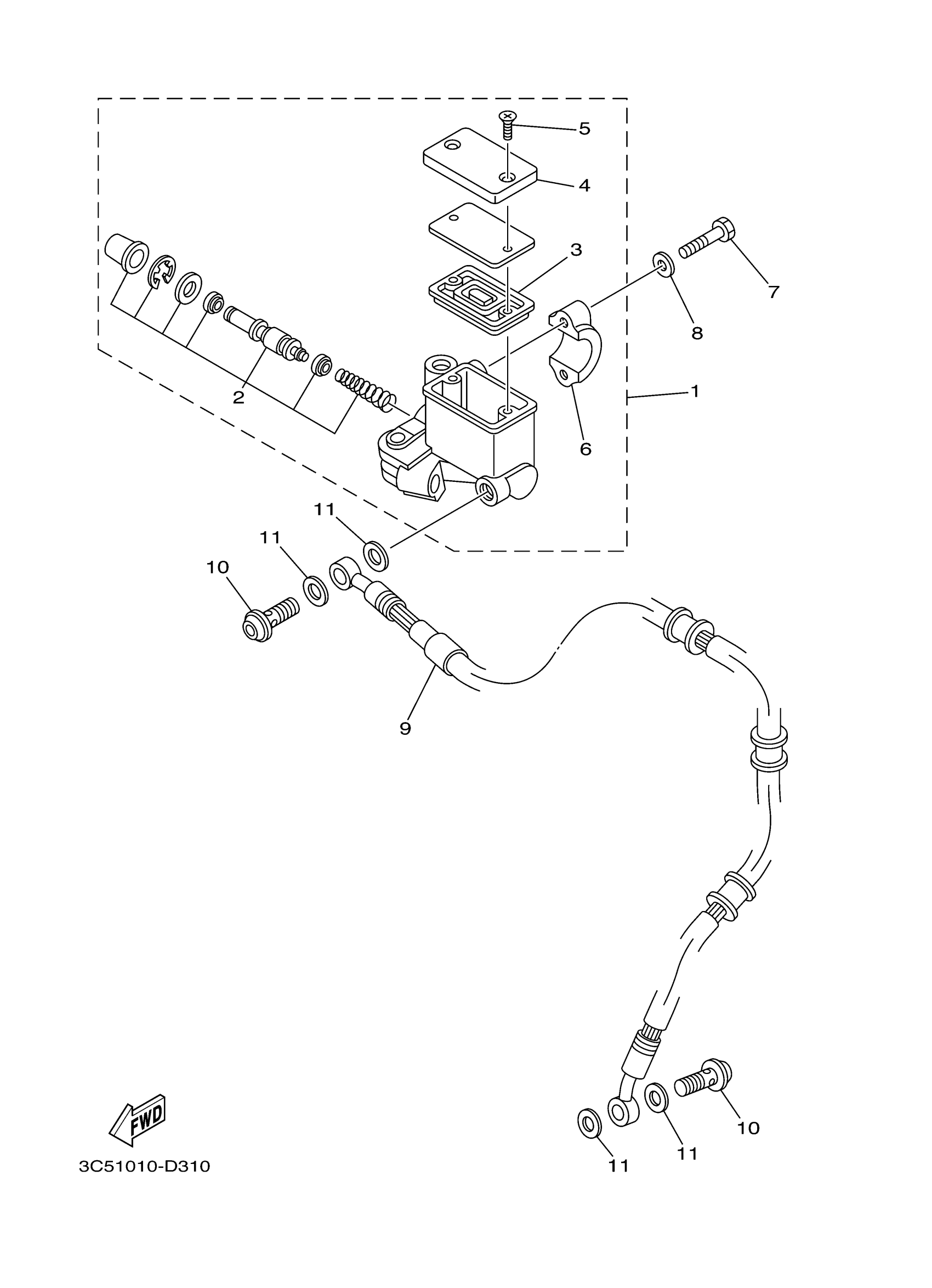
FRONT MASTER CYLINDER
Yamaha XT250ZC (XT250 CA) 3C5J 2010 FRONT MASTER CYLINDER Diagram
#
Description
Price
9
HOSE, BRAKE 1
3C5-25872-00-00
Unavailable
