- Partiron
- OEM Parts
- Yamaha
- motorcycle
- 2009
- XT250YC (XT250 CA) 3C5E 2009
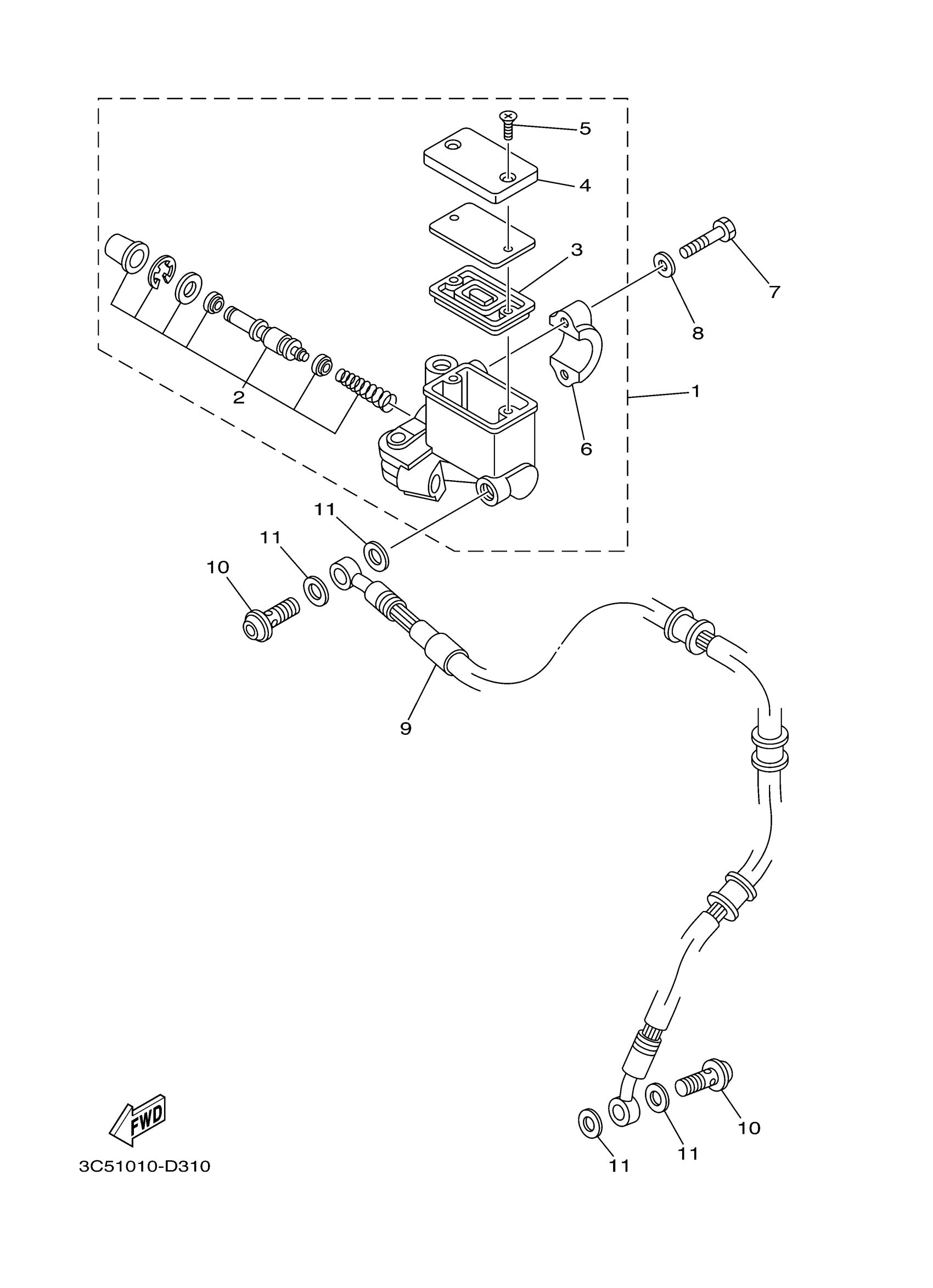
FRONT MASTER CYLINDER
Yamaha XT250YC (XT250 CA) 3C5E 2009 FRONT MASTER CYLINDER Diagram
#
Description
Price
9
HOSE, BRAKE 1
3C5-25872-00-00
Unavailable
