- Partiron
- OEM Parts
- Yamaha
- motorcycle
- 2023
- XT250PC (XT250 CA) B1UJ 2023
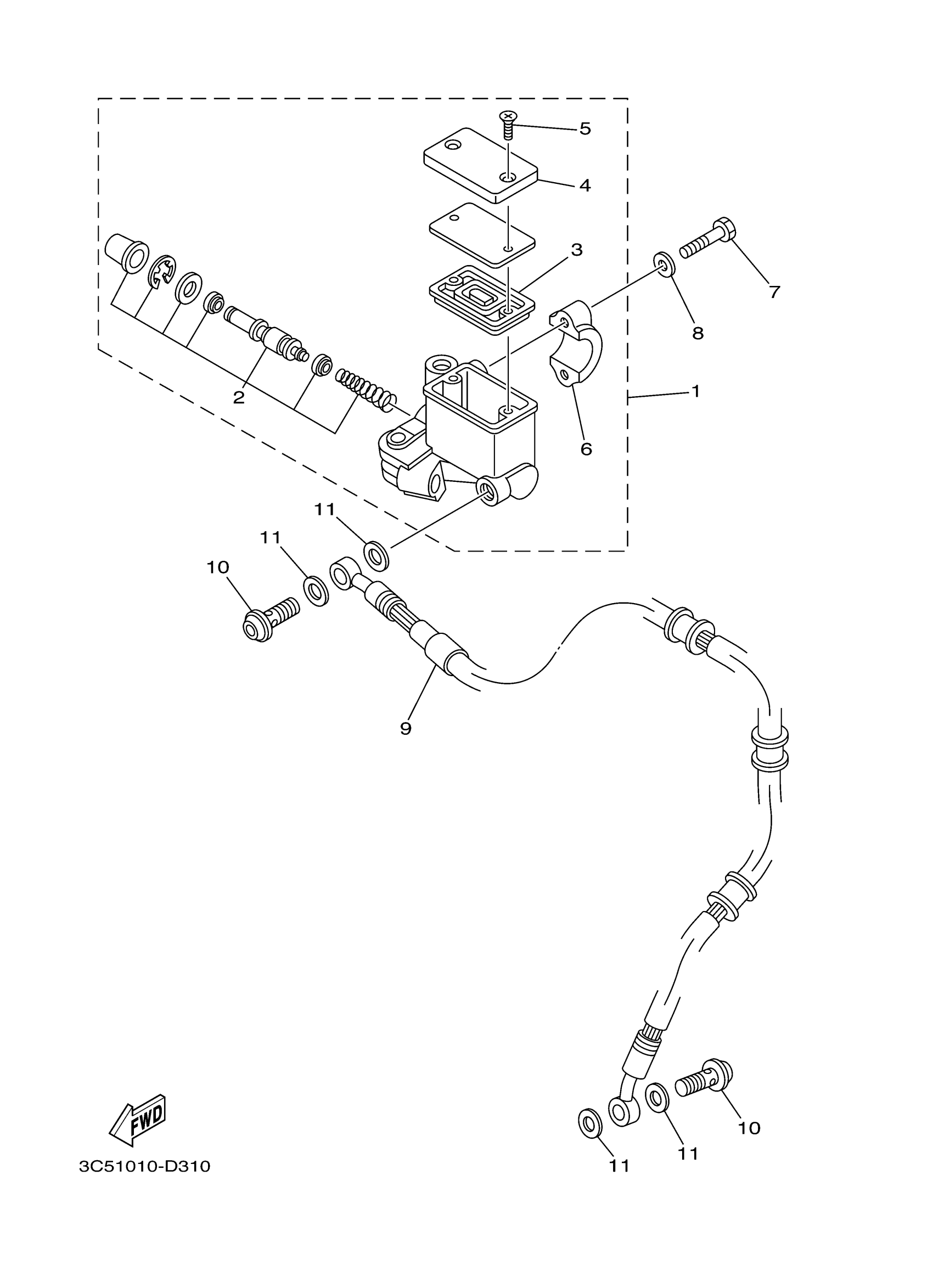
FRONT MASTER CYLINDER
Yamaha XT250PC (XT250 CA) B1UJ 2023 FRONT MASTER CYLINDER Diagram
#
Description
Price
9
HOSE, BRAKE 1
3C5-25872-00-00
Unavailable
