- Partiron
- OEM Parts
- Yamaha
- motorcycle
- 2022
- XT250NC (XT250 CA) B1UF 2022
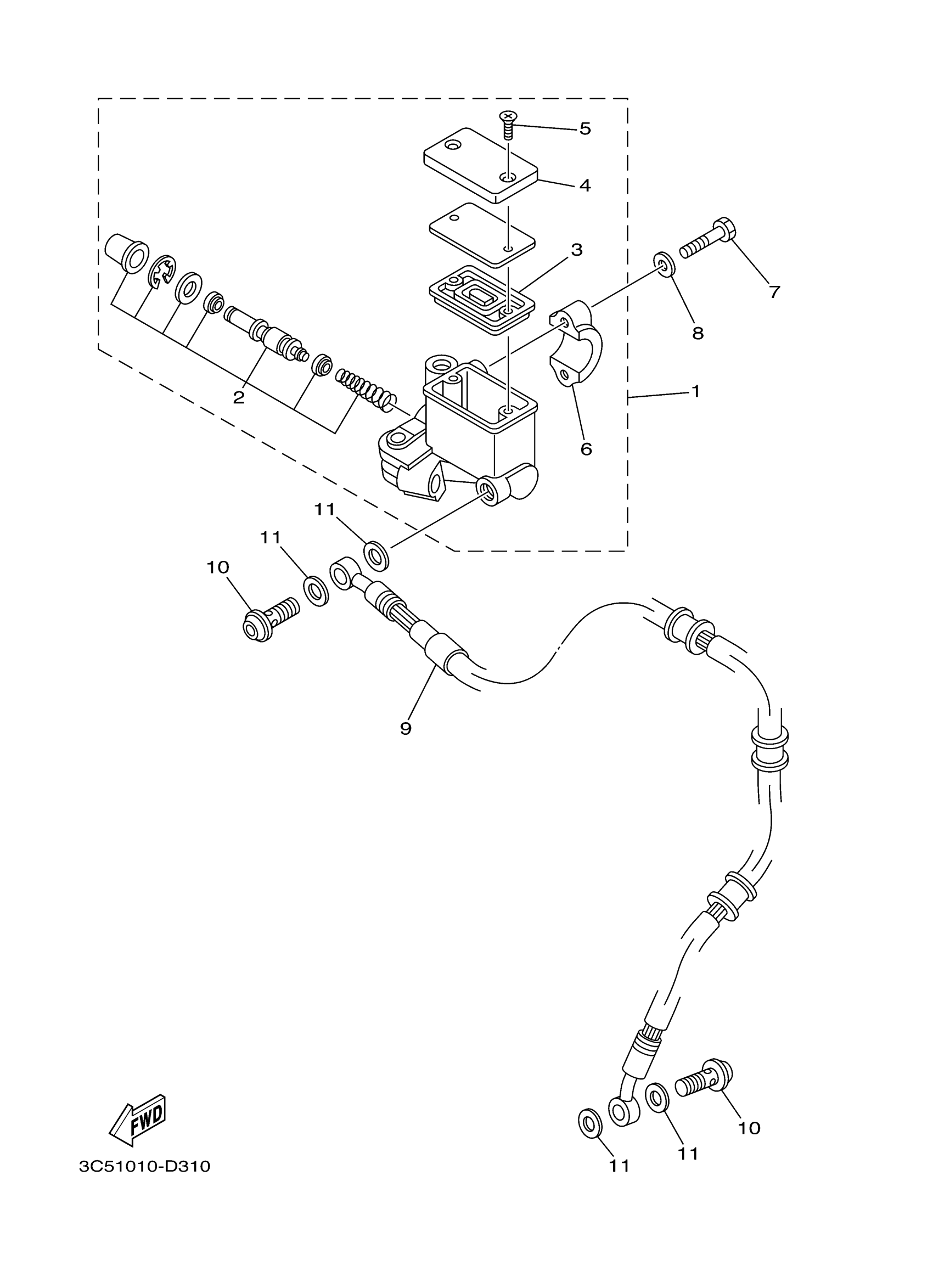
FRONT MASTER CYLINDER
Yamaha XT250NC (XT250 CA) B1UF 2022 FRONT MASTER CYLINDER Diagram
#
Description
Price
9
HOSE, BRAKE 1
3C5-25872-00-00
Unavailable
