- Partiron
- OEM Parts
- Yamaha
- motorcycle
- 2021
- XT250MC (XT250 CA) B1UB 2021
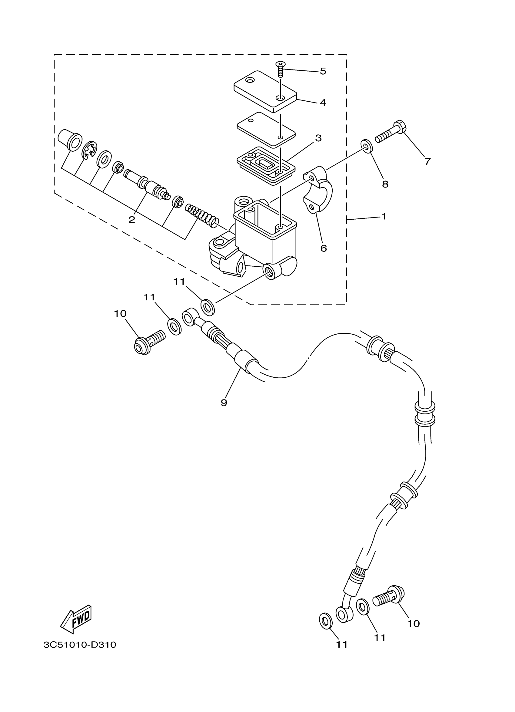
FRONT MASTER CYLINDER
Yamaha XT250MC (XT250 CA) B1UB 2021 FRONT MASTER CYLINDER Diagram
#
Description
Price
9
HOSE, BRAKE 1
3C5-25872-00-00
Unavailable
