- Partiron
- OEM Parts
- Yamaha
- motorcycle
- 1983
- XT250KC (XT250 CA) 1983
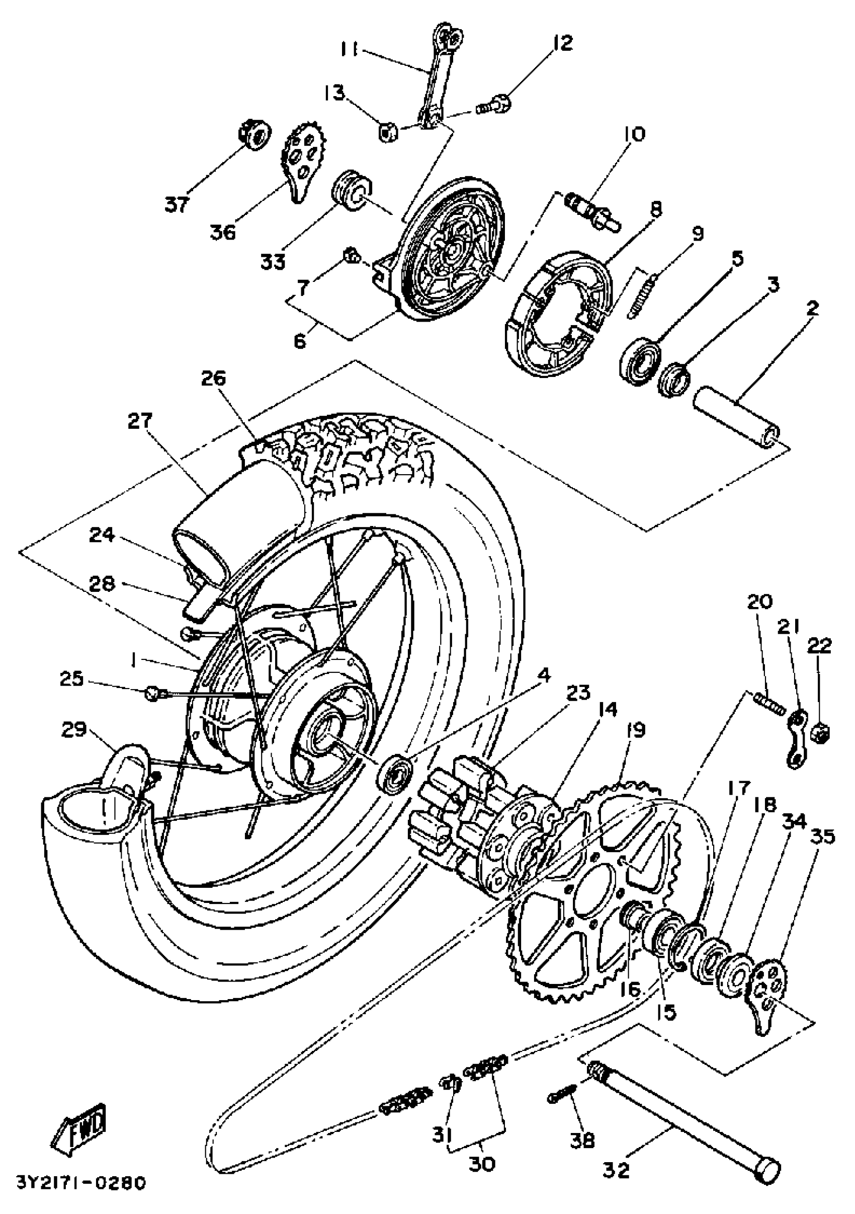
REAR WHEEL
Yamaha XT250KC (XT250 CA) 1983 REAR WHEEL Diagram
#
1
HUB, REAR
3Y1-25311-00-98
Unavailable
2
SPACER
90560-17311-00
Unavailable
6
BRAKE SHOE PLATE ASSEMBLY
3Y1-25026-00-98
Unavailable
8
BRAKE SHOE KIT
3KG-W253E-00-00
Unavailable
9
SPRING (5T9)
90506-17328-00
Unavailable
11
LEVER, CAM SHAFT
1E2-25155-00-00
Unavailable
13
NUT, HEXAGON
95380-06600-00
Unavailable
14
CLUTCH, HUB
3Y1-25366-00-98
Unavailable
16
COLLAR, WHEEL
3Y1-25377-00-00
Unavailable
17
CIRCLIP(48Y)
99009-47500-00
Unavailable
18
OIL SEAL (28X47X7-102)
93102-28022-00
Unavailable
19
SPROCKET, DRIVEN (47T)
30X-25447-51-00
Unavailable
20
BOLT, STUD (483)
90116-08218-00
Unavailable
21
WASHER, LOCK (3Y2)
90215-08160-00
Unavailable
22
NUT (3Y2)
90170-08258-00
Unavailable
23
DAMPER
3Y1-25364-00-00
Unavailable
24
RIM (2.15-17)
94421-17242-00
Unavailable
25
SPOKE SET, REAR
3Y1-25304-00-00
Unavailable
26
TIRE (BS 460X17 TW10A)
94146-17415-00
Unavailable
27
TUBE (94246-17158-00)
94240-17164-00
Unavailable
28
BAND, RIM (3.25-17) (3Y0)
94332-17112-00
Unavailable
29
SPACER, BEAD
3Y1-25394-00-00
Unavailable
30
DID520DS-98L (DID520DS 98L)
9Y58E-20097-00
Unavailable
31
JOINT, CHAIN
94681-68001-00
Unavailable
32
AXLE,WHEEL
150-25381-01-00
Unavailable
33
COLLAR(3SX)
90387-170X9-00
Unavailable
34
COLLAR, WHEEL
3Y1-25383-00-00
Unavailable
35
PULLER, CHAIN 1
3Y1-25388-01-00
Unavailable
36
PULLER, CHAIN 2
3Y1-25389-00-00
Unavailable
37
NUT, CASTLE (2H6)
90171-16024-00
Unavailable
38
PIN, COTTER
91490-30030-00
Unavailable
