- Partiron
- OEM Parts
- Yamaha
- motorcycle
- 1983
- XT250KC (XT250 CA) 1983
ELECTRICAL - 1
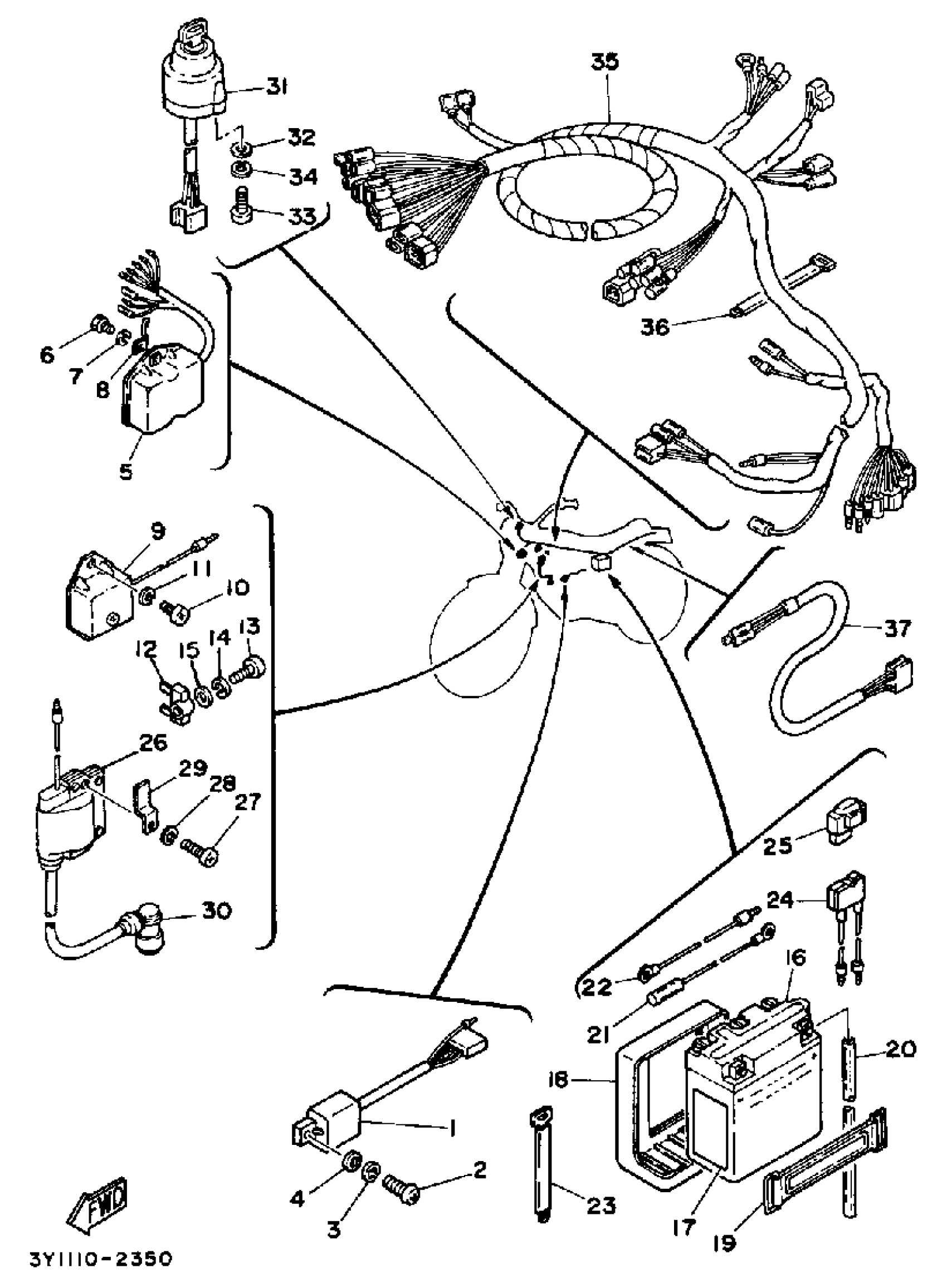
Yamaha XT250KC (XT250 CA) 1983 ELECTRICAL - 1 Diagram
#
1
CONTROL UNIT ASSEMBLY
4Y3-85590-M0-00
Unavailable
3
WASHER, SPRING
92995-06100-00
Unavailable
5
CDI UNIT ASSEMBLY
3Y1-85540-20-00
Unavailable
7
WASHER, SPRING
92995-06100-00
Unavailable
8
CLAMP
(90462-08068-00)
Unavailable
9
VOLTAGE REG ASY
443-81910-62-00
Unavailable
11
WASHER, SPRING
92995-06100-00
Unavailable
13
SCREW, PAN HEAD
98580-05020-00
Unavailable
16
6N6-3B-1 YUASA BATTERY
6N6-3B1Y0-00-00
Unavailable
17
LABEL, BATTERY
40A-82141-G0-00
Unavailable
18
SEAT, BATTERY
3Y1-82122-00-00
Unavailable
19
BAND, BATTERY
1E6-82131-00-00
Unavailable
20
HOSE (L1500)
90445-084J0-00
Unavailable
21
WIRE, SUB-LEAD
J42-82318-00-00
Unavailable
22
CORD
1H2-83346-00-00
Unavailable
23
BAND
341-26397-01-00
Unavailable
24
CIRCUIT BREAKER
3J0-82180-00-00
Unavailable
25
COVER, CIRCUIT BREAKER
3J0-82182-00-00
Unavailable
26
IGNITION COIL ASSY
355-82310-40-00
Unavailable
27
BOLT, HEXAGON
97017-06025-00
Unavailable
28
WASHER, SPRING
92995-06100-00
Unavailable
29
CLAMP
(90463-14016-00)
Unavailable
30
PLUG CAP ASSY
4BP-82370-01-00
Unavailable
31
MAIN SWITCH ASSEMBLY
443-82508-21-00
Unavailable
32
WASHER PLATE 829771780000
90201-05033-00
Unavailable
33
SCREW, PANHEAD (A93)
98580-05525-00
Unavailable
35
WIRE HARNESS ASSEMBLY
(3Y1-82590-51-00)
Unavailable
36
BAND
341-26397-01-00
Unavailable
37
CORD, TAILLIGHT
3Y3-84517-00-00
Unavailable
