- Partiron
- OEM Parts
- Yamaha
- motorcycle
- 1983
- XT250KC (XT250 CA) 1983
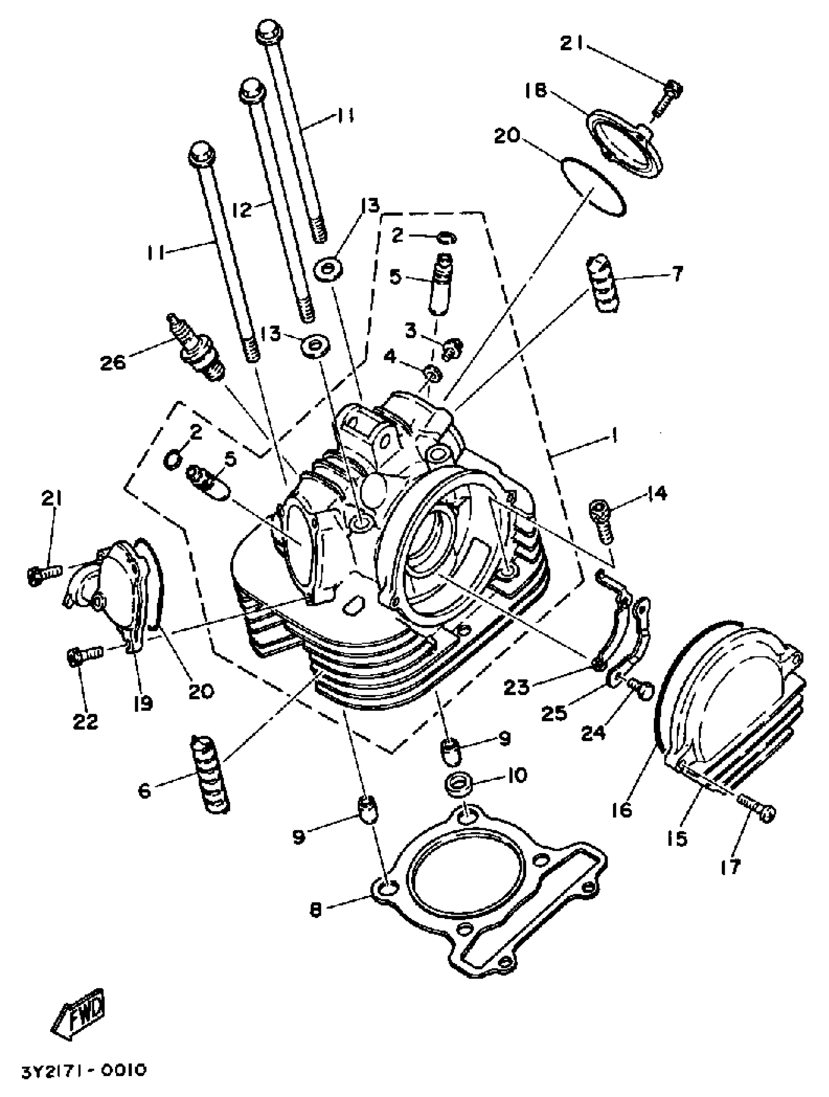
CYLINDER HEAD XT250K - KC
Yamaha XT250KC (XT250 CA) 1983 CYLINDER HEAD XT250K - KC Diagram
#
Description
Price
1
CYLINDER HEAD ASSY
3Y1-11110-00-00
Unavailable
4
GASKET 256113960000
90430-06014-00
Unavailable
7
PIPE, BREATHER 1
3Y1-11166-00-00
Unavailable
12
BOLT, WASHER BASED (3Y1)
90105-10139-00
Unavailable
15
COVER, CYLINDER HEAD SIDE 1
3Y1-11185-00-00
Unavailable
16
O-RING (15A)
93211-06635-00
Unavailable
17
SCREW, PAN HEAD (76T)
98517-06025-00
Unavailable
18
COVER, CYLINDER HEAD SIDE 2
3Y1-11186-10-00
Unavailable
19
COVER, CYLINDER HEAD SIDE 3
3Y1-11187-00-00
Unavailable
20
O-RING
93210-57634-00
Unavailable
21
BOLT,SOCKET
91317-06020-00
Unavailable
22
BOLT
90109-06556-00
Unavailable
23
PLATE
3Y1-1111F-00-00
Unavailable
24
BOLT (661)
97013-06012-00
Unavailable
25
WASHER, LOCK (3Y1)
90215-06162-00
Unavailable
26
SPLUG SR250G/SG
(94701-00141-00)
Unavailable
26
BPR7ES NGK - 4/PACK
BPR-7ES00-40-00
Unavailable
