- Partiron
- OEM Parts
- Yamaha
- motorcycle
- 1982
- XT250J_1982
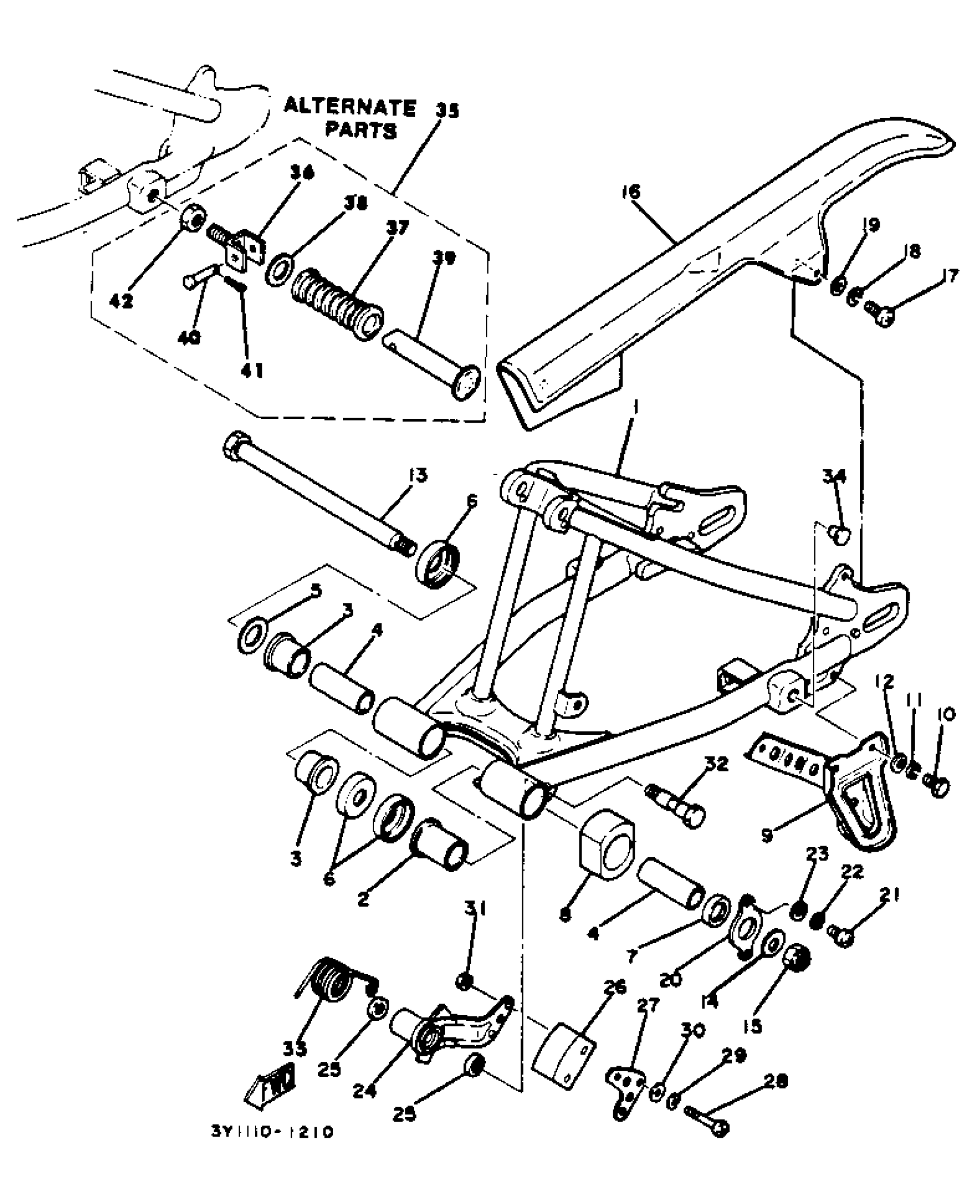
SWING ARM
Yamaha XT250J_1982 SWING ARM Diagram
#
1
REAR ARM
3Y1-22110-00-33
Unavailable
3
BUSH 1
3Y1-22123-01-00
Unavailable
4
BUSH 2
3Y1-22124-01-00
Unavailable
8
SEAL, GUARD
3Y1-22151-00-00
Unavailable
9
CHAIN, GUARD
3Y1-22318-00-00
Unavailable
11
WASHER, SPRING
92995-06100-00
Unavailable
13
SHAFT, PIVOT
2N6-22141-00-00
Unavailable
16
CASE, CHAIN
3Y1-22311-00-00
Unavailable
17
SCREW, PAN
98507-06014-00
Unavailable
18
WASHER, SPRING
92995-06100-00
Unavailable
19
WASHER, PLATE (4L0)
90201-062A8-00
Unavailable
20
PLATE
3Y1-21329-00-00
Unavailable
21
SCREW, PAN HEAD(62J)
97885-06012-00
Unavailable
22
WASHER, SPRING
92995-06100-00
Unavailable
24
ARM, TENSIONER
3Y1-22179-00-00
Unavailable
25
OIL SEAL (2K8)
93109-14021-00
Unavailable
26
TENSIONER (2N0-22178-00-00)
ACC-11130-00-25
Unavailable
27
GUIDE, CHAIN
1W1-22187-00-00
Unavailable
28
SCREW, PAN
98507-05040-00
Unavailable
29
YBS67-5 WASHER, SPRING
92990-05100-00
Unavailable
30
WASHER, PLAIN (646)
92990-05600-00
Unavailable
31
NUT, HEXAGON (663)
95380-05600-00
Unavailable
32
BOLT (1J4)
90109-10483-00
Unavailable
33
SPRING, TORSION (1J4)
90508-35350-00
Unavailable
34
PLUG (3Y1)
90338-11111-00
Unavailable
35
REAR FOOTREST ASSY
120-27430-02-00
Unavailable
36
. BRACKET 1
120-27432-02-00
Unavailable
37
COVER, REAR FOOTREST
120-27433-00-00
Unavailable
38
WASHER, PLATE (888)
90201-20279-00
Unavailable
39
FOOTREST, REAR 1
2GV-27431-00-00
Unavailable
40
PIN, CLEVIS (1Y8)
91701-06032-00
Unavailable
41
PIN, COTTER
91490-16020-00
Unavailable
42
NUT, HEXAGON SMALL
95317-12700-00
Unavailable
