- Partiron
- OEM Parts
- Yamaha
- motorcycle
- 1982
- XT250J_1982
ELECTRICAL 1
Yamaha XT250J_1982 ELECTRICAL 1 Diagram
#
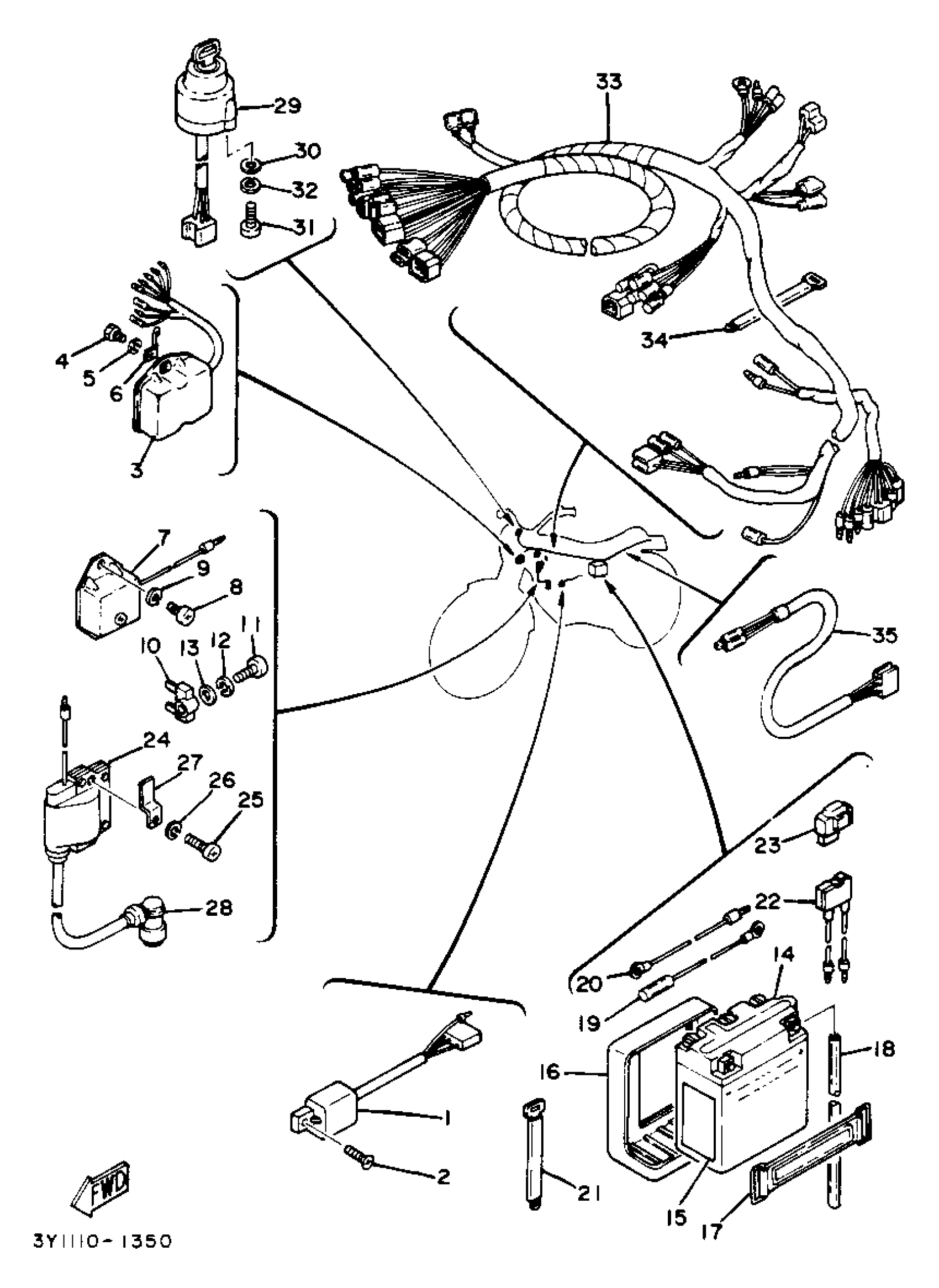
1
CONTROL UNIT ASSEMBLY
3Y1-85590-M0-00
Unavailable
3
CDI UNIT ASSEMBLY
3Y1-85540-20-00
Unavailable
5
WASHER, SPRING
92995-06100-00
Unavailable
6
CLAMP
(90462-08068-00)
Unavailable
7
VOLTAGE REG ASY
443-81910-62-00
Unavailable
9
WASHER, SPRING
92995-06100-00
Unavailable
11
SCREW, PAN HEAD
98580-05020-00
Unavailable
14
6N6-3B-1 YUASA BATTERY
6N6-3B1Y0-00-00
Unavailable
15
LABEL, BATTERY
40A-82141-G0-00
Unavailable
16
SEAT, BATTERY
3Y1-82122-00-00
Unavailable
17
BAND, BATTERY
1E6-82131-00-00
Unavailable
18
HOSE (L1500)
90445-084J0-00
Unavailable
19
WIRE, SUB-LEAD
J42-82318-00-00
Unavailable
20
CORD
1H2-83346-00-00
Unavailable
21
BAND
341-26397-01-00
Unavailable
22
CIRCUIT BREAKER
3J0-82180-00-00
Unavailable
23
COVER, CIRCUIT BREAKER
3J0-82182-00-00
Unavailable
24
IGNITION COIL ASSY
355-82310-40-00
Unavailable
25
BOLT, HEXAGON
97017-06025-00
Unavailable
26
WASHER, SPRING
92995-06100-00
Unavailable
27
UNAVAILABLE IN PRICE BOOK
[90-46314-01-60
Unavailable
28
PLUG CAP ASSY
4BP-82370-01-00
Unavailable
29
MAIN SWITCH ASSEMBLY
443-82508-21-00
Unavailable
30
WASHER PLATE 829771780000
90201-05033-00
Unavailable
31
SCREW, PANHEAD (A93)
98580-05525-00
Unavailable
33
WIRE HARNESS ASSEMBLY
(3Y1-82590-51-00)
Unavailable
34
BAND
341-26397-01-00
Unavailable
35
CORD, TAILLIGHT
3Y3-84517-00-00
Unavailable
