- Partiron
- OEM Parts
- Yamaha
- motorcycle
- 1982
- XT250J_1982
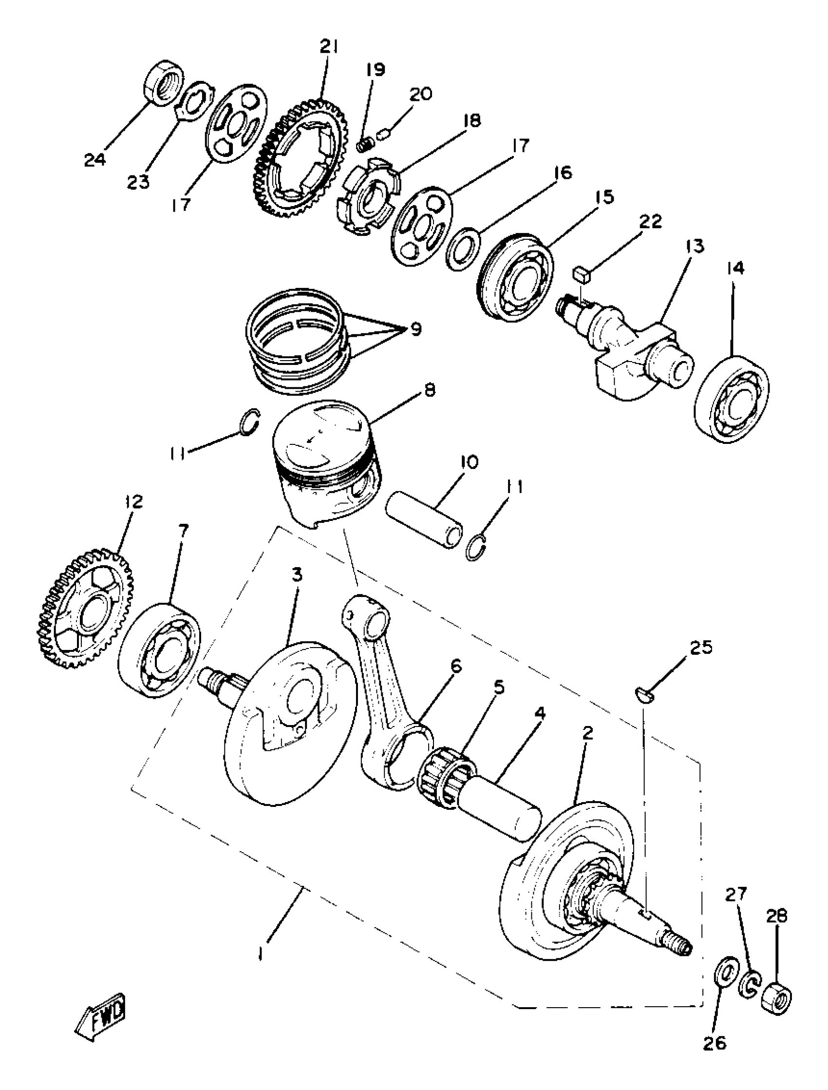
CRANKSHAFT -PISTON
Yamaha XT250J_1982 CRANKSHAFT -PISTON Diagram
#
1
CRANKSHAFT ASSEMBLY
3Y1-11400-00-00
Unavailable
3
. CRANK 2
3Y1-11422-01-00
Unavailable
4
. PIN, CRANK 1
3Y1-11681-00-00
Unavailable
5
. BEARING, CYLINDER #10
93310-831H1-00
Unavailable
6
. ROD, CONNECTING
3Y1-11651-02-00
Unavailable
8
PISTON (STD)
3Y1-11631-00-A0
Unavailable
8
PISTON 2 O/S 0.50
3Y1-11636-00-00
Unavailable
8
PISTON 4 O/S 1.0
3Y1-11638-00-00
Unavailable
9
PISTON RING SET (STD)
447-11610-00-00
Unavailable
9
PISTON RING SET (STD) 2ND O/S
447-11610-20-00
Unavailable
9
PISTON RINGSET 4TH
447-11610-40-00
Unavailable
10
PIN, PISTON
447-11633-00-00
Unavailable
12
GEAR, DRIVE (43T)
3Y1-11536-00-00
Unavailable
13
WEIGHT 1
3Y1-11454-00-00
Unavailable
14
BEARING (3Y1)
93306-30525-00
Unavailable
15
BEARING (5Y1)
93306-30540-00
Unavailable
16
WASHER, PLATE (3Y1)
90201-20792-00
Unavailable
17
UNAVAILABLE IN PRICE BOOK
[3Y-11156-50-00
Unavailable
18
BOSS, BUFFER
3Y1-11496-00-00
Unavailable
19
SPRING COMPRESSION341114880000
90501-21133-00
Unavailable
20
PIN, DOWEL
93605-10090-00
Unavailable
21
GEAR, BALANCE WT
3Y1-11531-02-00
Unavailable
22
KEY, STRAIGHT(34K)
90282-05065-00
Unavailable
23
WASHER, LOCK (3Y1)
90215-20158-00
Unavailable
24
NUT,SPEC'L SHAPE
90179-16018-00
Unavailable
25
KEY, WOODRUFF
90280-05001-00
Unavailable
26
WASHER, PLATE (583)
90201-12593-00
Unavailable
27
YBS67-12 WASHER,SPRING
92990-12100-00
Unavailable
28
NUT(55K)
90170-12347-00
Unavailable
