- Partiron
- OEM Parts
- Yamaha
- motorcycle
- 1981
- XT250H_1981
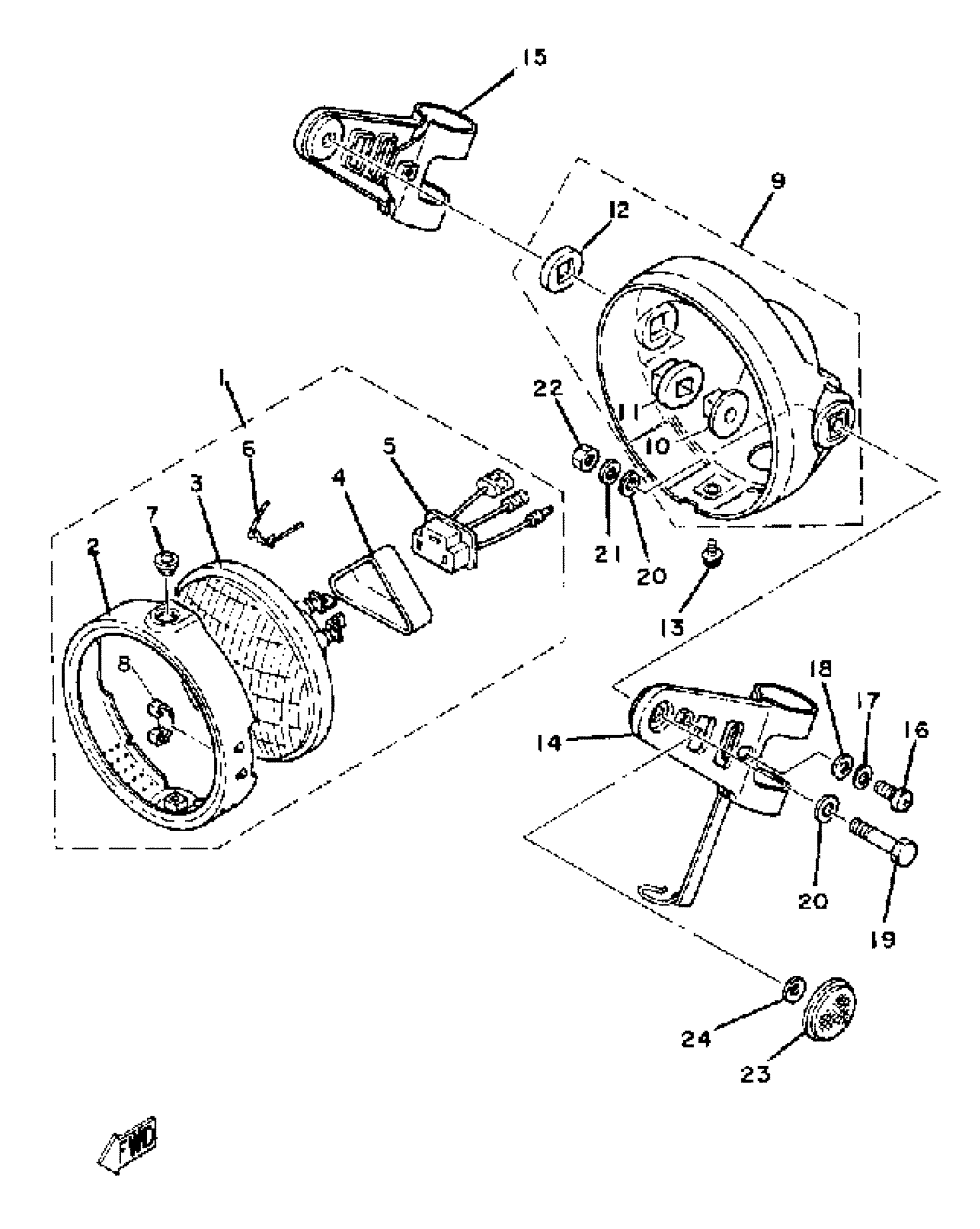
HEADLIGHT
Yamaha XT250H_1981 HEADLIGHT Diagram
#
Description
Price
1
HEADLIGHT UNIT ASSEMBLY
[3J0-84110-60-00
Unavailable
2
RING, RETAINING
3J0-84195-60-00
Unavailable
3
. LENS ASSEMBLY
2A6-84120-60-00
Unavailable
4
. COVER, SOCKET
341-84397-61-00
Unavailable
5
SOCKET
371-84312-60-00
Unavailable
7
COLLAR
1M1-84133-60-00
Unavailable
8
. SPACER
498-84128-60-00
Unavailable
9
BODY ASSY, HEADLIGHT
3J0-84130-60-00
Unavailable
14
STAY, HEADLIGHT 1
3Y1-84118-01-00
Unavailable
15
STAY, HEADLIGHT 2
3Y1-84119-01-00
Unavailable
16
SCREW, PAN HEAD(3TJ)
98507-06016-00
Unavailable
17
WASHER, SPRING
92907-06100-00
Unavailable
18
WASHER(6TA)
92907-06600-00
Unavailable
19
BOLT
97014-08040-00
Unavailable
20
WASHER, PLAIN
92990-08200-00
Unavailable
21
YBS67-8 WASHER, SPRING
92990-08100-00
Unavailable
22
NUT(6L2)
95333-08600-00
Unavailable
23
REFLECTOR, FRONT 1
355-85111-01-00
Unavailable
24
WASHER, PLATE(3AJ)
90202-05191-00
Unavailable
