- Partiron
- OEM Parts
- Yamaha
- motorcycle
- 1981
- XT250H_1981
FLASHER LIGHTS
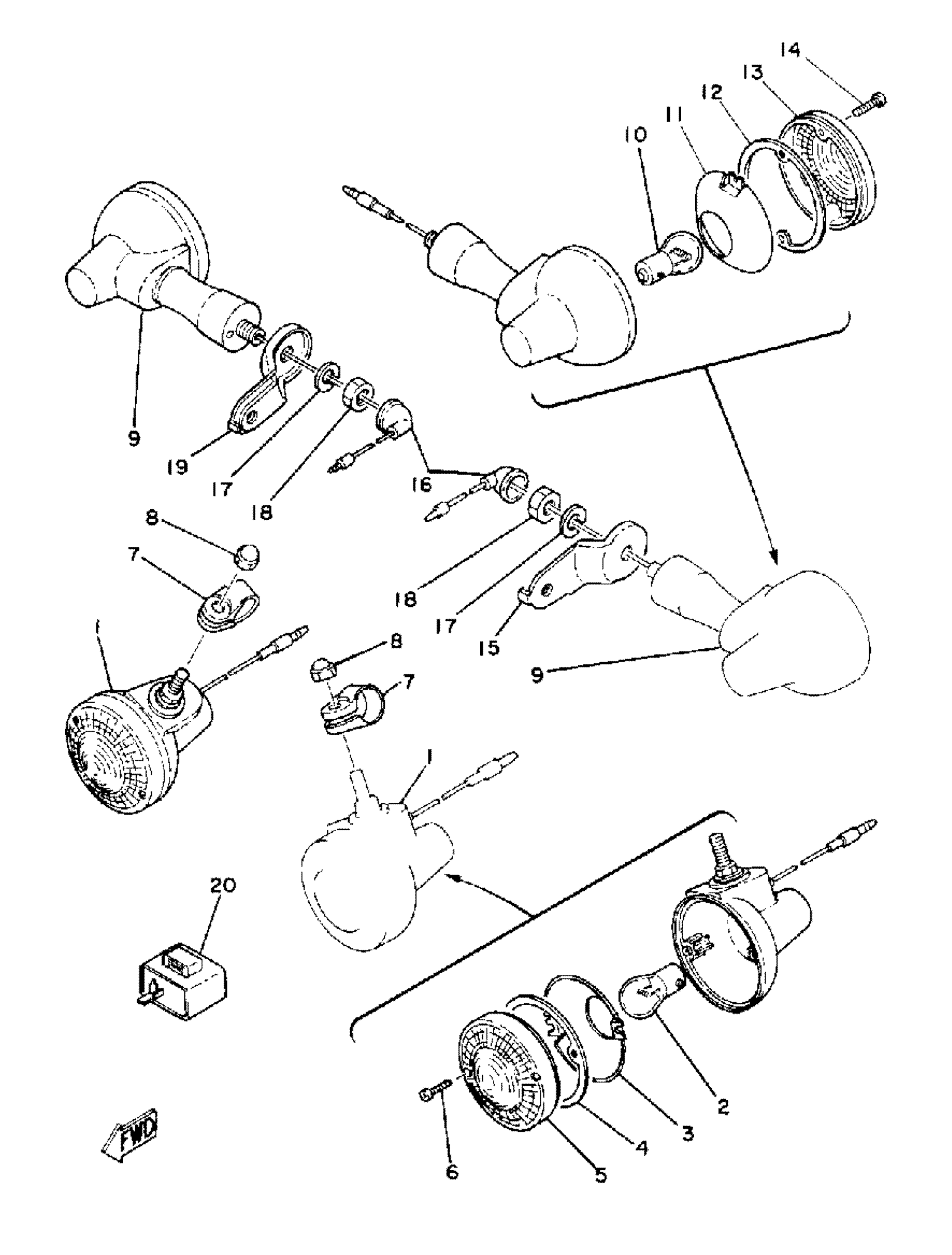
Yamaha XT250H_1981 FLASHER LIGHTS Diagram
#
Description
Price
1
FRONT FLASHER LIGHT ASSY 1
1M1-83310-60-00
Unavailable
2
BULB,FLASHER(6V18W)
115-83311-60-00
Unavailable
3
. REFLECTOR
1M1-83309-60-00
Unavailable
4
. GASKET, FLASHER LENS
1M1-83313-60-00
Unavailable
5
LENS, FLASHER
341-83312-70-00
Unavailable
6
YBS83-320 SCREW,PANH.TAPPING
97780-30120-00
Unavailable
9
RIGHT FLASHER LIGHT ASSY
1T9-93330-60-00
Unavailable
10
BULB,FLASHER(6V18W)
115-83311-60-00
Unavailable
11
. REFLECTOR
1M1-83309-60-00
Unavailable
12
. GASKET, FLASHER LENS
1M1-83313-60-00
Unavailable
13
LENS, FLASHER
341-83312-70-00
Unavailable
14
YBS83-320 SCREW,PANH.TAPPING
97780-30120-00
Unavailable
16
YBS83-320 SCREW,PANH.TAPPING
97780-30120-00
Unavailable
17
YBS67-10 WASHER, SPRING
92990-10100-00
Unavailable
18
NUT(3BM)
95314-10600-00
Unavailable
20
FLASHER RELAY ASSY
3BK-83350-00-00
Unavailable
