- Partiron
- OEM Parts
- Yamaha
- motorcycle
- 1981
- XT250H_1981
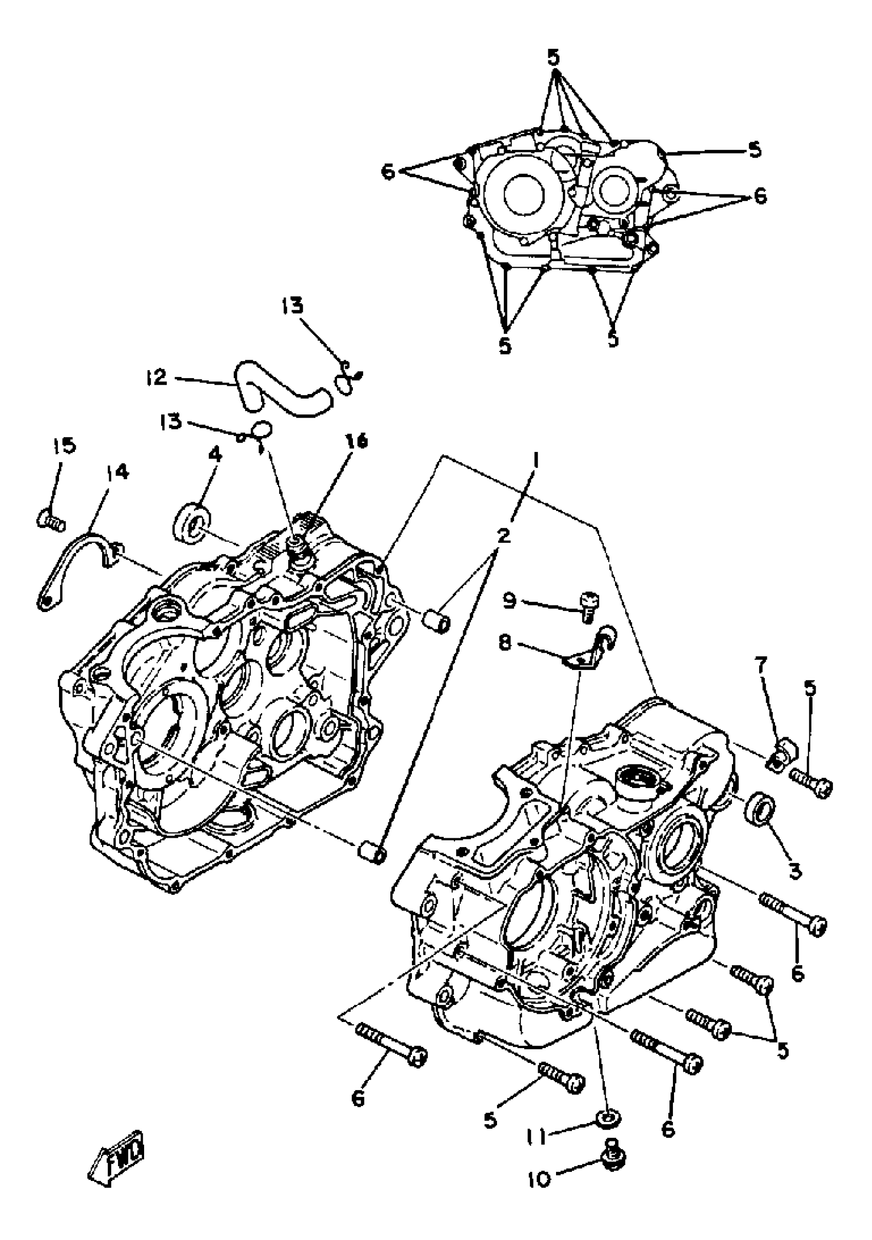
CRANKCASE
Yamaha XT250H_1981 CRANKCASE Diagram
#
Description
Price
1
CRANKCASE ASSEMBLY
3Y1-15100-02-00
Unavailable
5
SCREW, PAN
98517-06030-00
Unavailable
7
CLAMP(51Y)
90465-08277-00
Unavailable
8
HOLDER, CLUTCH CABLE (3Y1-15441-010
31G-15441-00-00
Unavailable
11
WASHER, PLATE(481)
90201-10118-00
Unavailable
12
PIPE, BREATHER 1
3Y1-11166-00-00
Unavailable
14
PLATE, BEARING COVER
[3Y1-1538-0-0-00
Unavailable
16
PIPE, BREATHER 2
371-11167-01-00
Unavailable
