Partiron

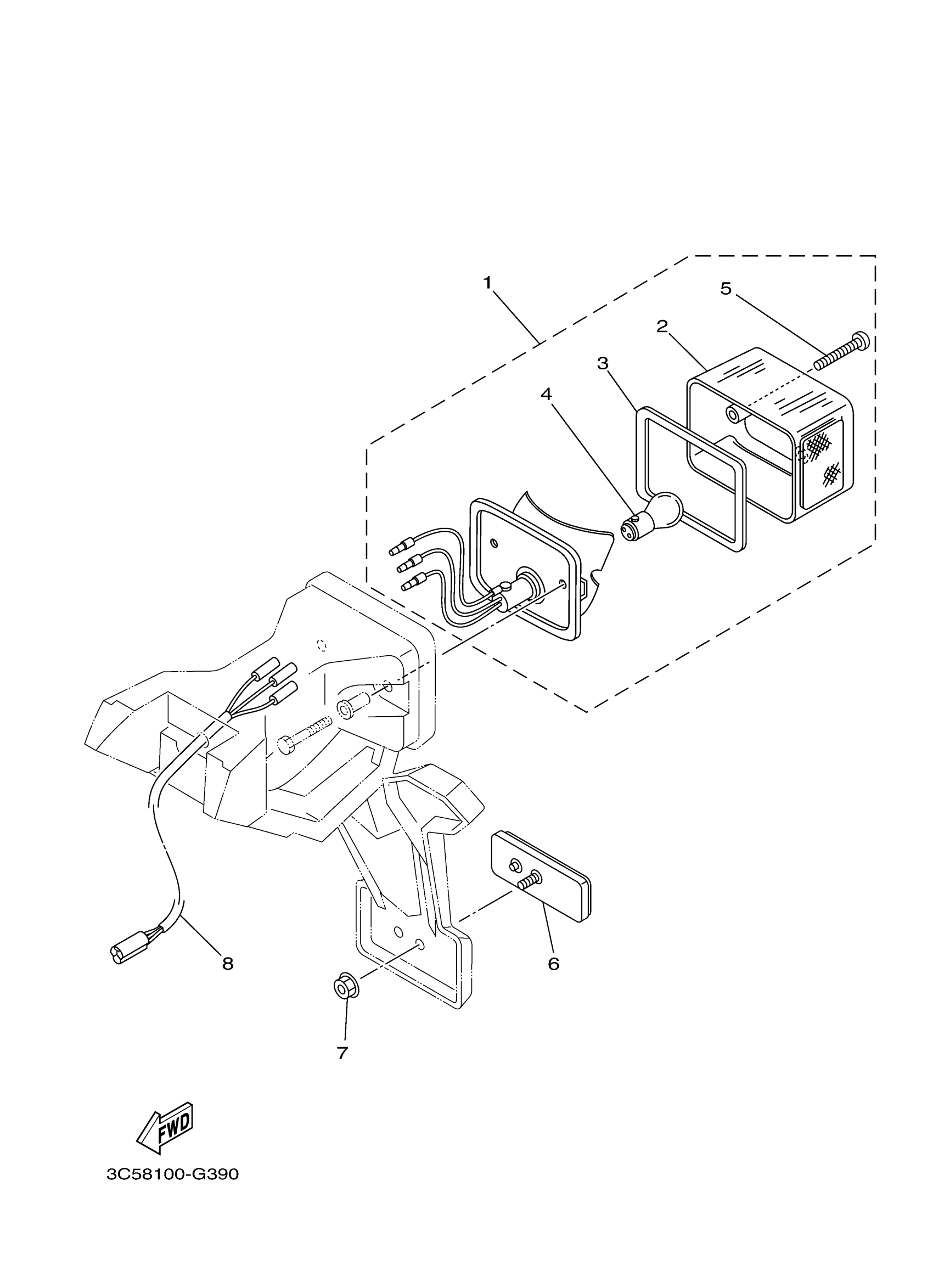
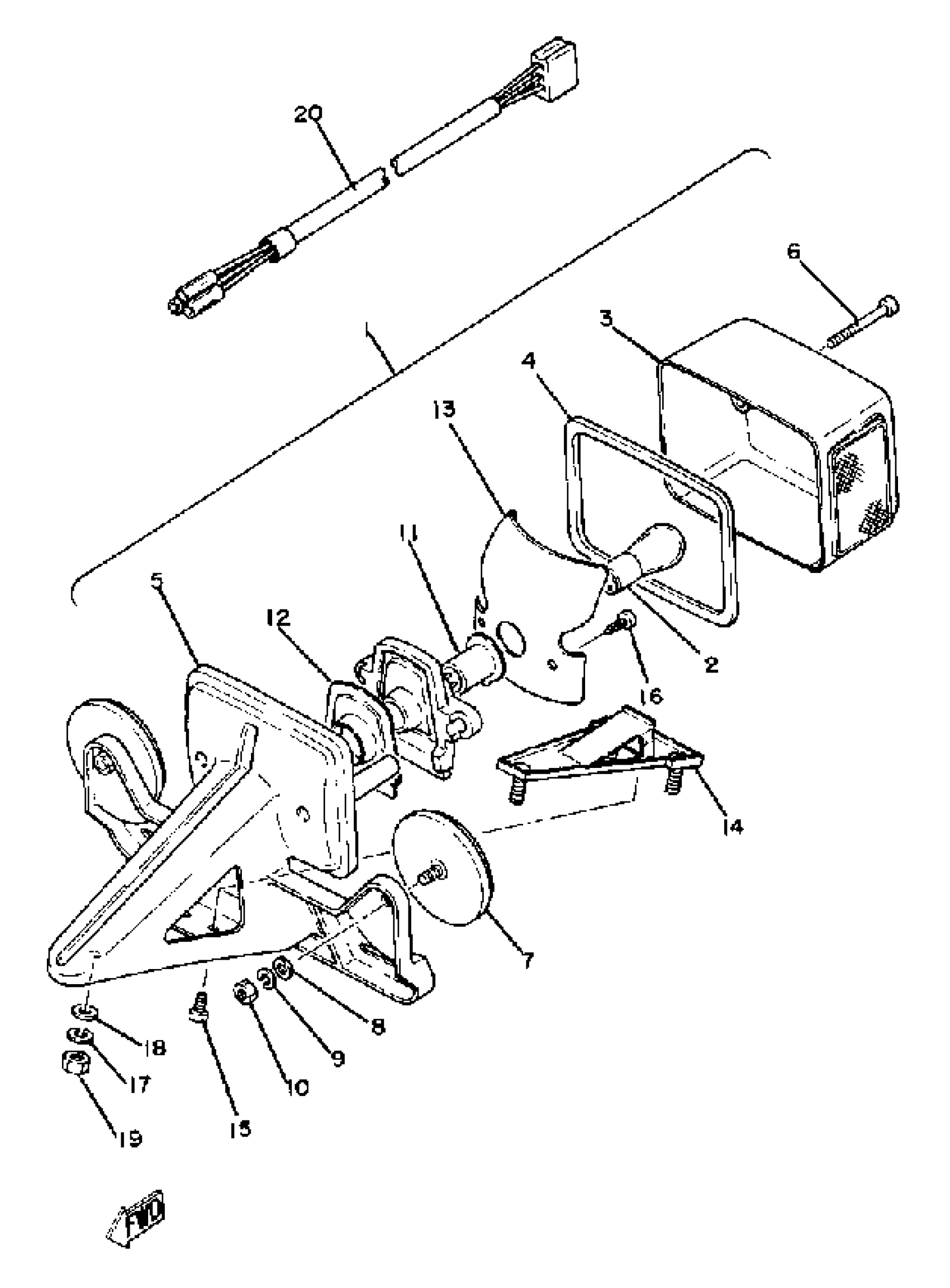
Yamaha XT250H 1981 TAILLIGHT Diagram

#

Description
Price

1

TAILLIGHT UNIT ASSY

1W9-84710-61-00

$110.99

2

LENS, TAIL LAMP

1M1-84521-60-00

$39.99

3

GASKET, TAIL LENS

1M1-84523-60-00

$13.49

4

BULB, TAIL LAMP (12V 32/3CP)

256-84714-61-00

$11.99

5

SCREW, ADJUSTING

5BF-8433E-00-00

$7.99

6

REAR REFLECTOR ASSY

3Y6-85130-02-00

Unavailable

7

NUT, FLANGE

95702-05500-00

$0.38

8

CORD, TAILLIGHT

3C5-84717-00-00

Unavailable