- Partiron
- OEM Parts
- Yamaha
- motorcycle
- 1981
- XT250H 1981
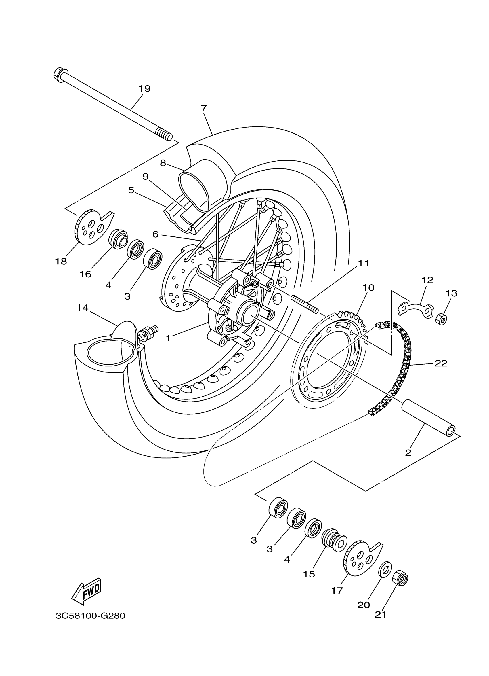
REAR WHEEL
Yamaha XT250H 1981 REAR WHEEL Diagram
#
Description
Price
1
HUB, REAR
4JG-25311-02-35
Unavailable
5
RIM (2.15-18)(3ET)
94421-18468-00
Unavailable
7
TIRE(120/80-18 M/C 26P)
94112-18028-00
Unavailable
14
SPACER, BEAD
3Y1-25394-00-00
Unavailable
16
COLLAR, WHEEL
4JG-25383-00-00
Unavailable
17
PULLER, CHAIN 1
5XT-25388-00-00
Unavailable
18
PULLER, CHAIN 2
5XT-25389-00-00
Unavailable
19
AXLE, WHEEL
2K6-25381-10-00
Unavailable
20
WASHER, PLATE
90201-15014-00
Unavailable
21
NUT, U FLANGE
95602-14200-00
Unavailable
22
CHAIN
94581-36128-00
Unavailable
