Yamaha XT250H 1981 FRAME Diagram
#
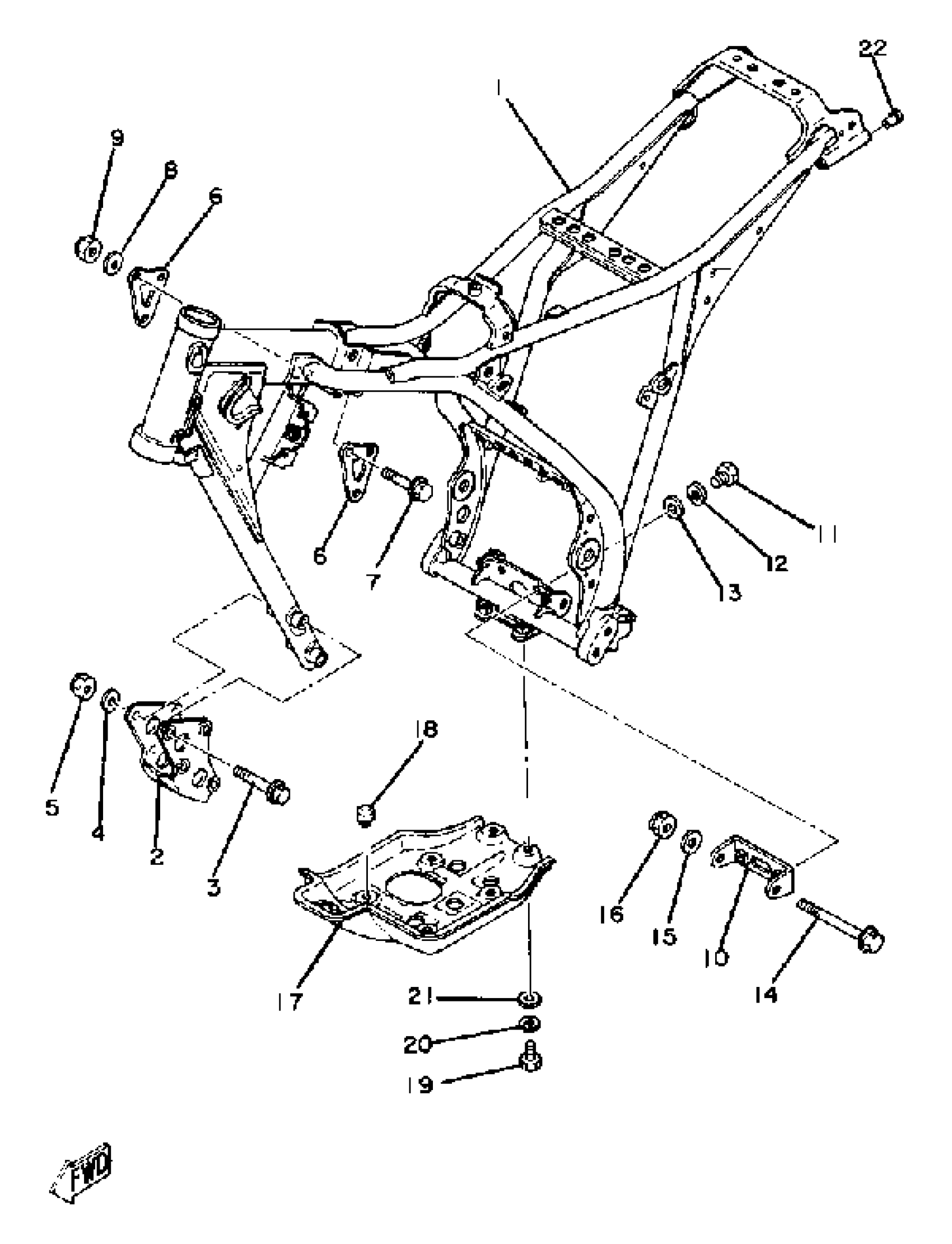
1
FRAME COMP.
1YB-21110-00-00
Unavailable
3
DOWN TUBE COMP.
3C5-21140-20-00
Unavailable
12
STAY, ENGINE 2
3C5-21315-20-00
Unavailable
14
STAY, ENGINE 3
3C5-21316-20-00
Unavailable
17
BOLT, FLANGE
90105-08102-00
Unavailable
18
NUT(4KM)
90179-08674-00
Unavailable
19
WASHER, PLATE
90201-08043-00
Unavailable
20
TENSIONER
10V-22178-00-00
Unavailable
21
BUSH
10V-22184-00-00
Unavailable
22
COLLAR
90387-08024-00
Unavailable
23
WASHER, PLATE(8AT)
90201-081R9-00
Unavailable
24
BOLT, FLANGE
95022-08045-00
Unavailable
25
HELMET HANGER ASSY
4R8-21308-01-00
Unavailable
26
SCREW (4G1)
90149-06154-00
Unavailable
27
COVER ASSY 1
3C5-2110M-01-00
Unavailable
28
DAMPER
5XT-2139X-01-00
Unavailable
29
SCREW(3XV)
90149-06298-00
Unavailable
30
COVER ASSY 2
3C5-2110N-01-00
Unavailable
31
DAMPER
5XT-2139X-01-00
Unavailable
32
SCREW(3XV)
90149-06298-00
Unavailable
33
HANDLE, STANDING
3C5-21165-00-00
Unavailable
34
STAY, REAR
3C5-21275-00-00
Unavailable
35
BOLT, FLANGE
95814-08016-00
Unavailable
36
STOPPER
5RU-24768-00-00
Unavailable
37
DAMPER
5G3-21747-00-00
Unavailable
38
SEAL
5XT-21268-00-00
Unavailable
40
TOOL KIT
3C5-28100-01-00
Unavailable
41
TOOL BOX COMP.
5XT-21107-01-00
Unavailable
42
BOLT, FLANGE
95022-06012-00
Unavailable
43
BOLT, FLANGE
95022-06035-00
Unavailable
