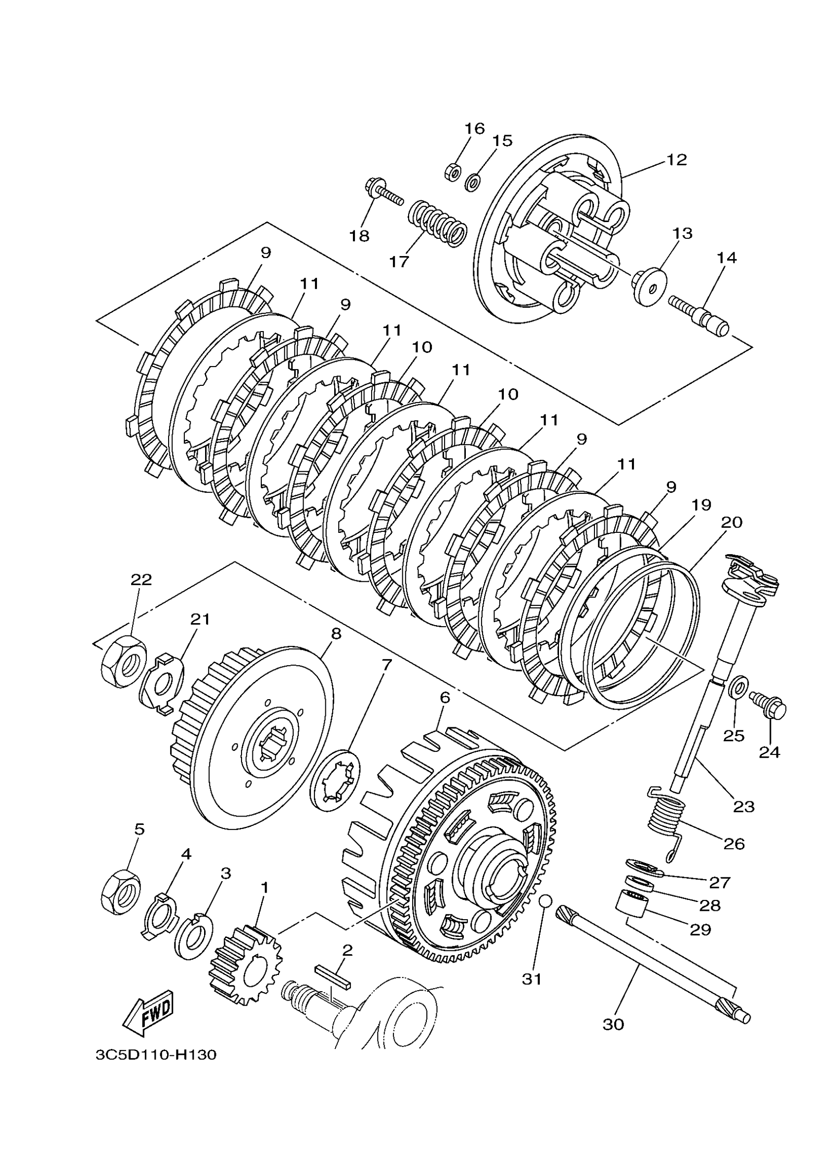
Yamaha XT250FC (XT250 CA) 1YBC 2015 CLUTCH Diagram
#
Description
Price
1
GEAR, PRIMARY DRIVE
5XT-16111-00-00
Unavailable
2
KEY, STRAIGHT(3UR)
90282-05077-00
Unavailable
3
WASHER, CLAW(4GY)
90214-16063-00
Unavailable
6
PRIMARY DRIVEN GEAR COMP.
5XT-16150-00-00
Unavailable
8
BOSS, CLUTCH
4GY-16371-01-00
Unavailable
16
NUT, HEXAGON
95380-06600-00
Unavailable
17
SPRING, COMPRESSION (4H7)
90501-23598-00
Unavailable
18
SCREW, WITH WASHER (583)
90159-06010-00
Unavailable
19
SPRING, CLUTCH BOSS
3XV-16383-00-00
Unavailable
20
PLATE, SEAT
5NL-16384-00-00
Unavailable
21
WASHER, LOCK(4KB)
90215-16289-00
Unavailable
22
NUT, HEXAGON (30X)
90170-16326-00
Unavailable
23
PUSH LEVER ASSY
5XT-16380-00-00
Unavailable
24
BOLT
90109-08105-00
Unavailable
25
GASKET
90430-08119-00
Unavailable
26
SPRING, TORSION
90508-203B3-00
Unavailable
27
CIRCLIP(1EV)
99009-20500-00
Unavailable
28
OIL SEAL (4G0)
93102-12224-00
Unavailable
29
BRG,CYL-CAL ROLLER 6G TM
93315-11206-00
Unavailable
30
ROD, PUSH 2
4GY-16357-00-00
Unavailable
31
BALL (498)
93511-32027-00
Unavailable
