- Partiron
- OEM Parts
- Yamaha
- motorcycle
- 2013
- XT250DC (XT250 CA) 1YB2 2013
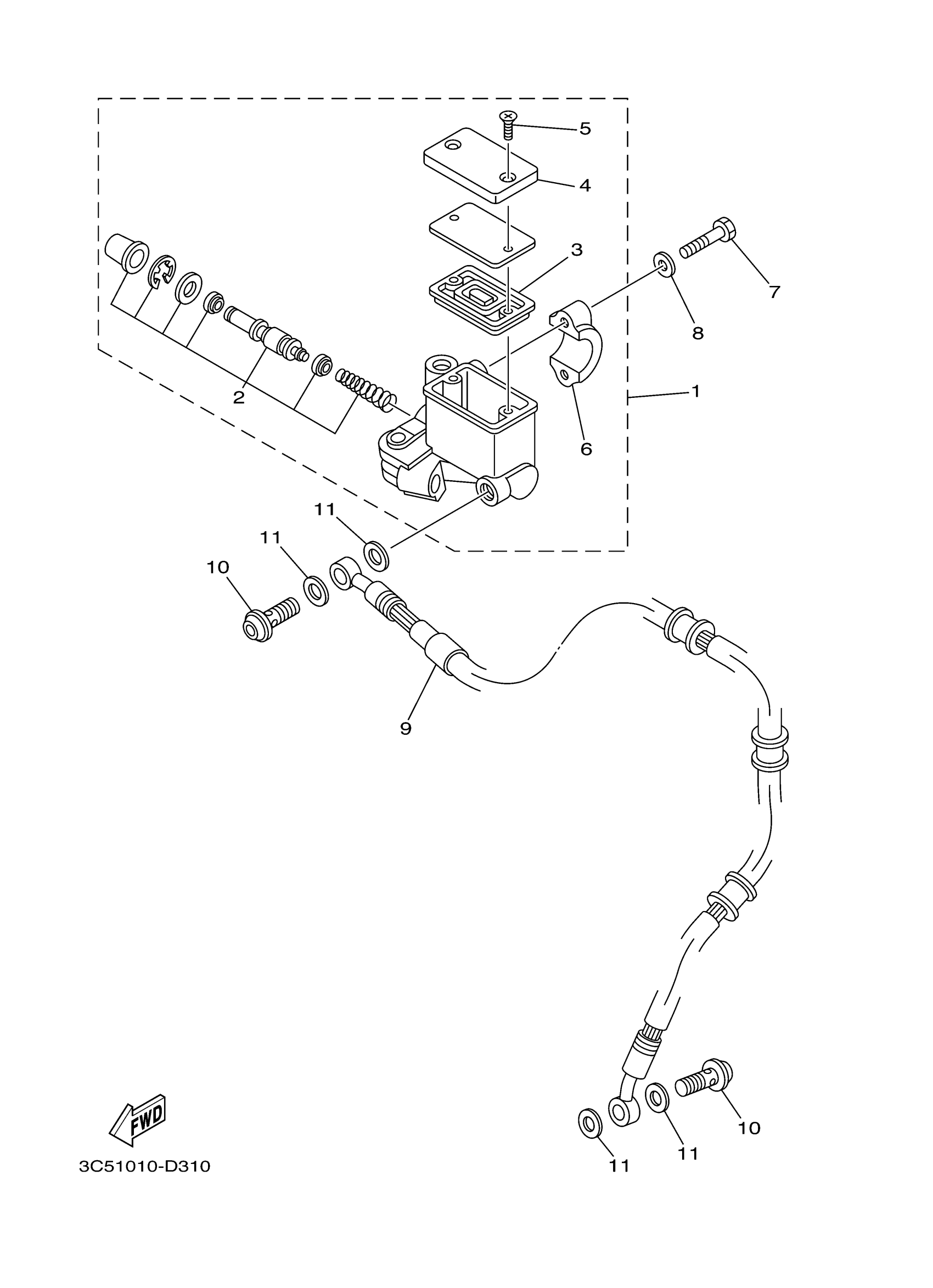
FRONT MASTER CYLINDER
Yamaha XT250DC (XT250 CA) 1YB2 2013 FRONT MASTER CYLINDER Diagram
#
Description
Price
9
HOSE, BRAKE 1
3C5-25872-00-00
Unavailable
