Yamaha XT225NC (XT225 CA) 4BEW 2001 OIL PUMP Diagram
#
Description
Price
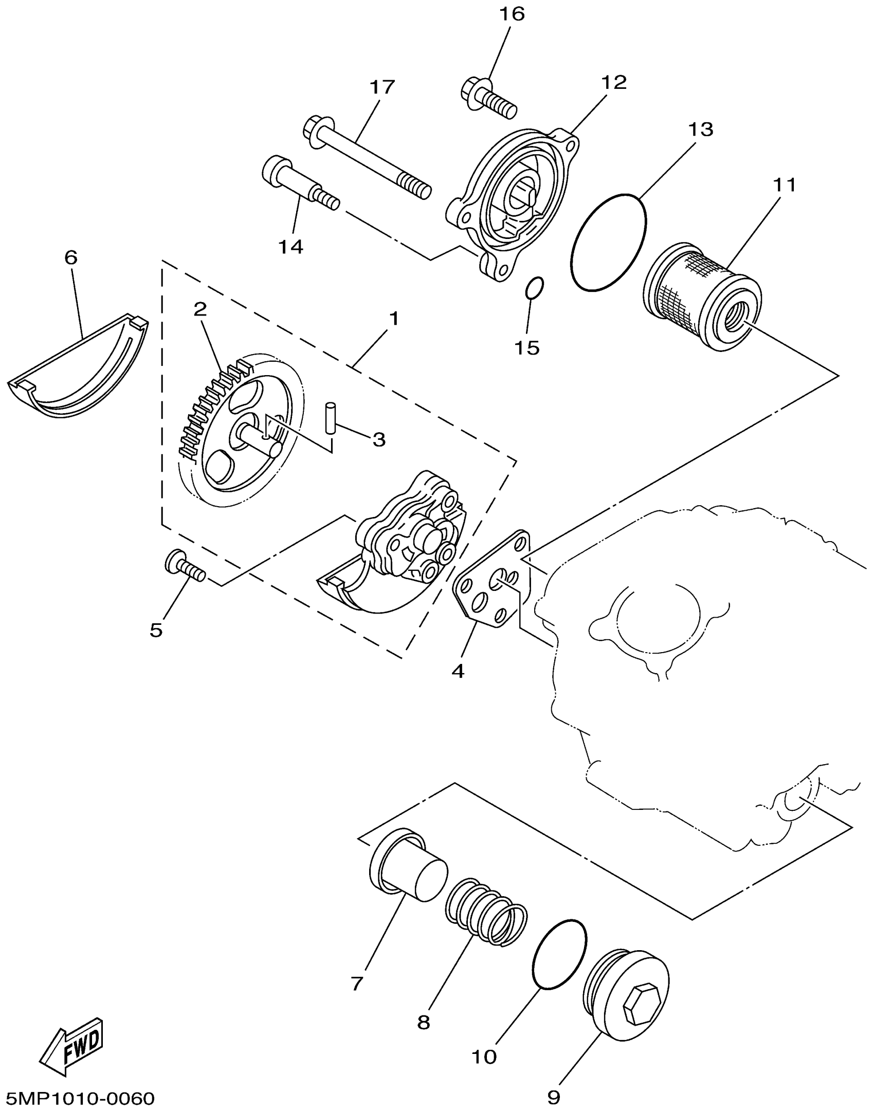
6
COVER, PUMP GEAR
5H0-13327-00-00
Unavailable
12
COVER, OIL ELEMENT
3GX-13447-01-00
Unavailable
16
BOLT, FLANGE(4KG)
95024-06025-00
Unavailable
17
BOLT, WASHER BASED
90105-064A6-00
Unavailable
