- Partiron
- OEM Parts
- Yamaha
- motorcycle
- 1998
- XT225KC (SEROW CA) 1998
ELECTRICAL 1
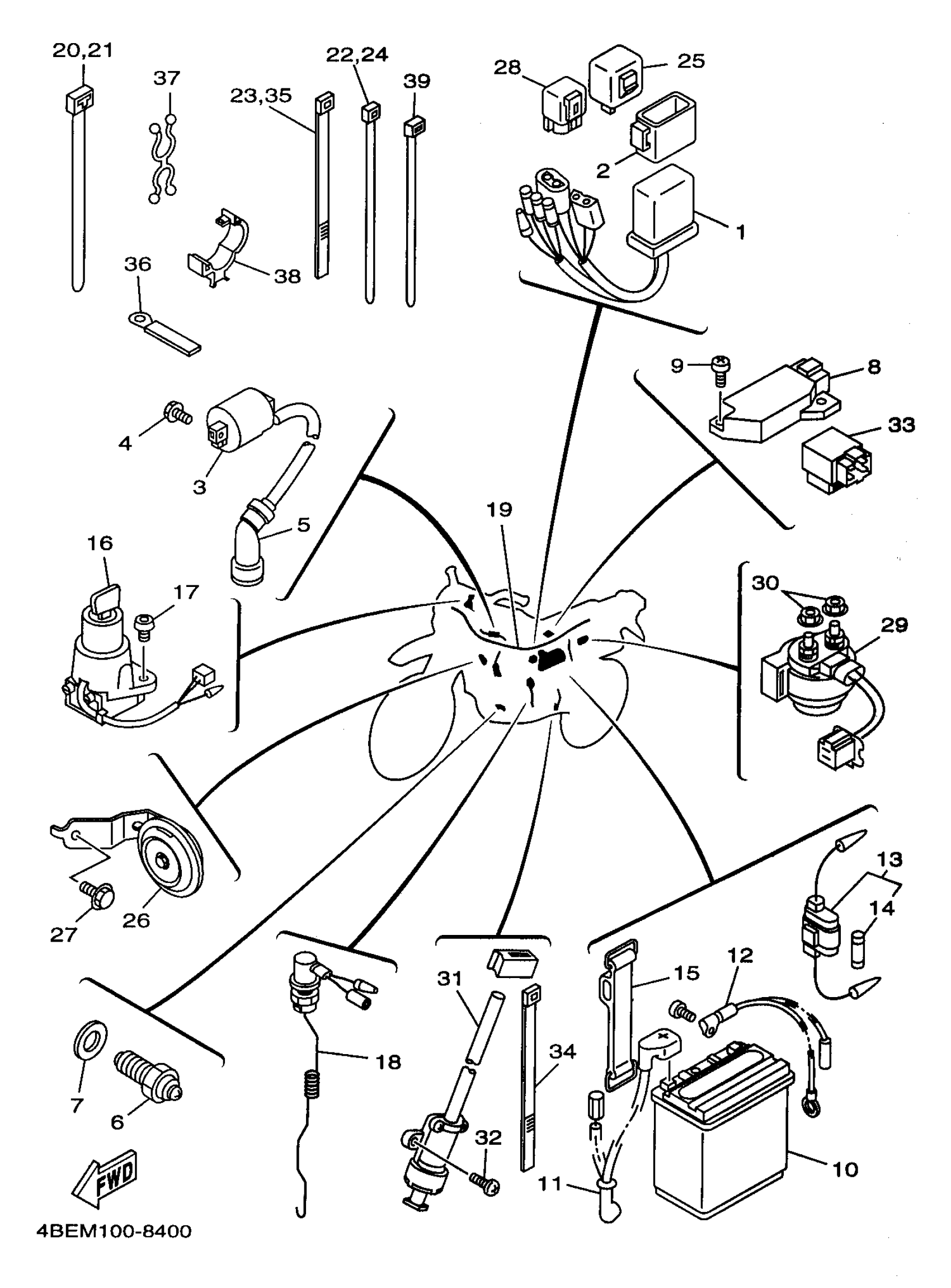
Yamaha XT225KC (SEROW CA) 1998 ELECTRICAL 1 Diagram
#
1
C.D.I. UNIT ASSY
4BE-85540-01-00
Unavailable
10
YTX7LBS YUASA BATTERY - SA
YTX-7LBS0-00-00
Unavailable
11
WIRE, PLUS LEAD
4JG-82115-00-00
Unavailable
12
WIRE, MINUS LEAD
4JG-82116-00-00
Unavailable
13
FUSE HOLDER ASSY
2TV-82150-02-00
Unavailable
16
MAIN SWITCH STEERING LOCK
2HV-82501-00-00
Unavailable
17
SCREW(1KT)
90149-06228-00
Unavailable
18
STOP SWITCH ASSY
5BT-82530-00-00
Unavailable
19
WIRE HARNESS ASY
4BE-82590-01-00
Unavailable
20
CLAMP
90464-20258-00
Unavailable
21
CLAMP
90464-20258-00
Unavailable
22
BAND
1UA-82591-00-00
Unavailable
23
CLAMP
90464-16061-00
Unavailable
24
BAND
1UA-82591-00-00
Unavailable
25
FLASHER RELAY ASSY
4VR-83350-02-00
Unavailable
26
HORN
3RW-83371-11-00
Unavailable
27
BOLT, FLANGE
95817-06010-00
Unavailable
28
RELAY ASSY
3RW-81950-01-00
Unavailable
29
STARTER RELAY ASSY (MS5D-611)
4KD-81940-00-00
Unavailable
30
NUT, FLANGE(4MV)
95707-06500-00
Unavailable
31
SWITCH, SIDE STAND
3LD-82566-41-00
Unavailable
32
SCREW, PAN HEAD(JJ6)
98507-05016-00
Unavailable
33
RELAY ASSY (29U-93)
29U-81950-93-00
Unavailable
34
CLAMP
90464-16061-00
Unavailable
35
CLAMP
90464-16061-00
Unavailable
36
CLAMP(4MX)
90465-06376-00
Unavailable
37
CLAMP
90464-16115-00
Unavailable
38
CLAMP
90464-16061-00
Unavailable
39
CLAMP(4GY)
90464-10190-00
Unavailable
