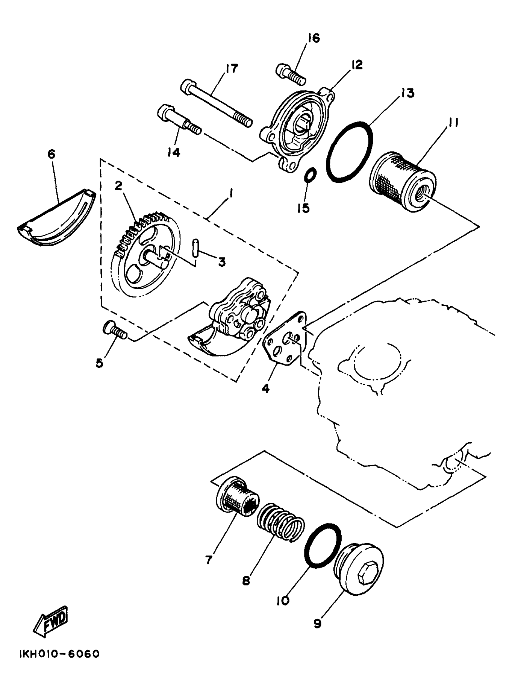
Yamaha XT225JC (SEROW CA) 1997 OIL PUMP Diagram
#
Description
Price
6
COVER, PUMP GEAR
5H0-13327-00-00
Unavailable
12
COVER, OIL ELEMENT
3AW-13447-01-00
Unavailable
16
SCREW, PAN HEAD (76T)
98517-06025-00
Unavailable
17
SCREW, PAN
98507-06075-00
Unavailable
